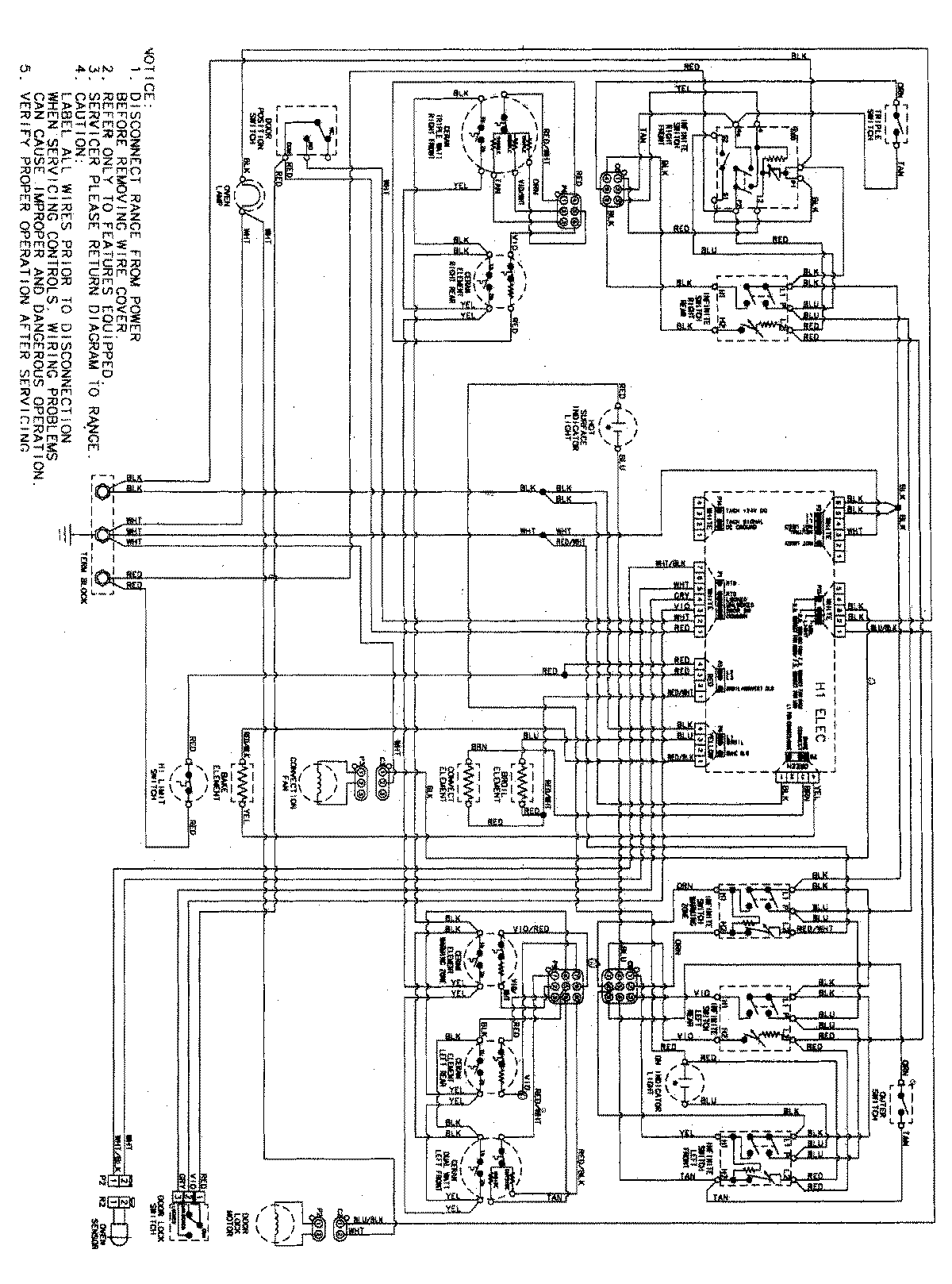
MER5875RAF 06 – WIRING INFORMATION

MER5875RAF 06 – WIRING INFORMATION

Products

PositionProduct
NIMAY 15003741