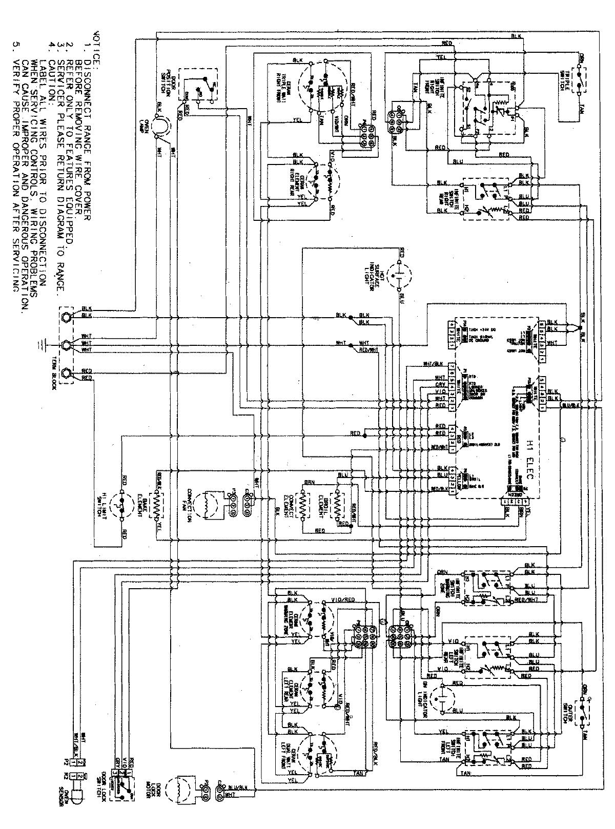
MER5875RAN 06 – WIRING INFORMATIONadmin2025-04-26T09:12:08+00:00MER5875RAN 06 – WIRING INFORMATION ProductsPositionProductNIMAY 15003741