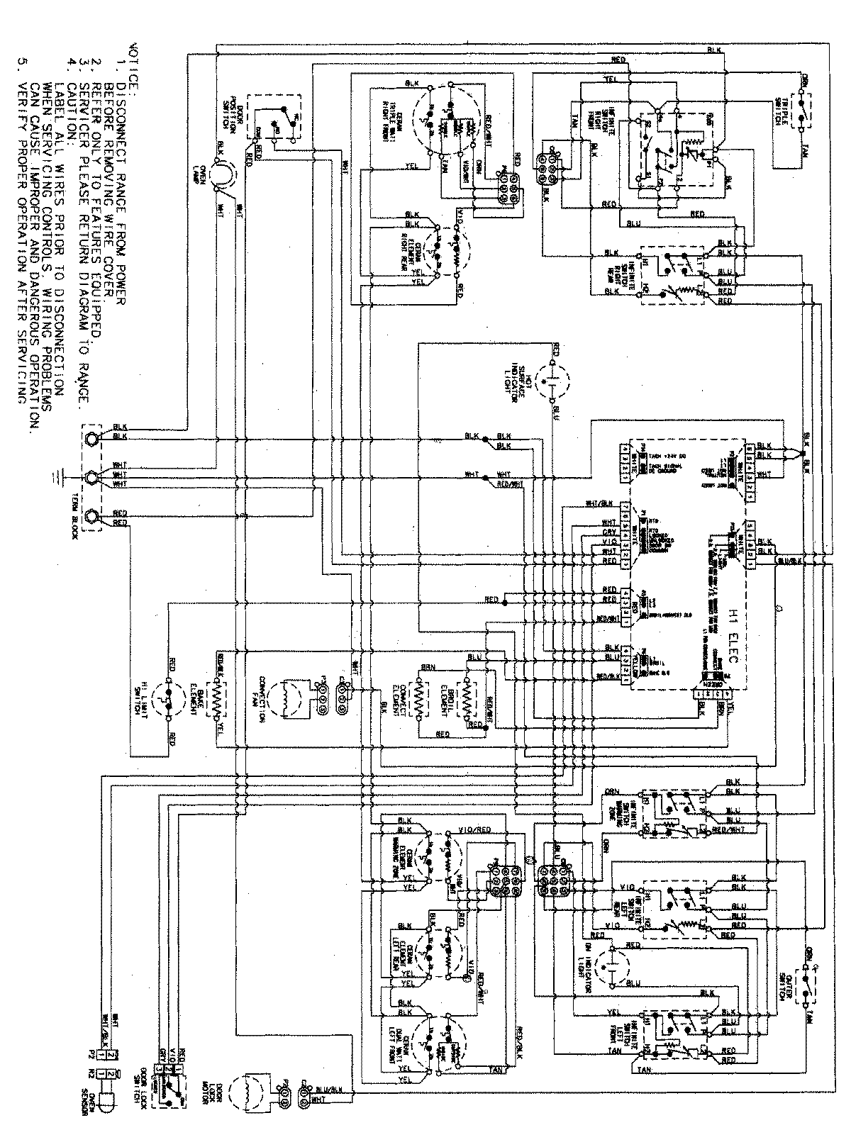
MER5875RAS 06 – WIRING INFORMATIONadmin2025-04-26T09:12:44+00:00MER5875RAS 06 – WIRING INFORMATION ProductsPositionProductNIMAY 15003741