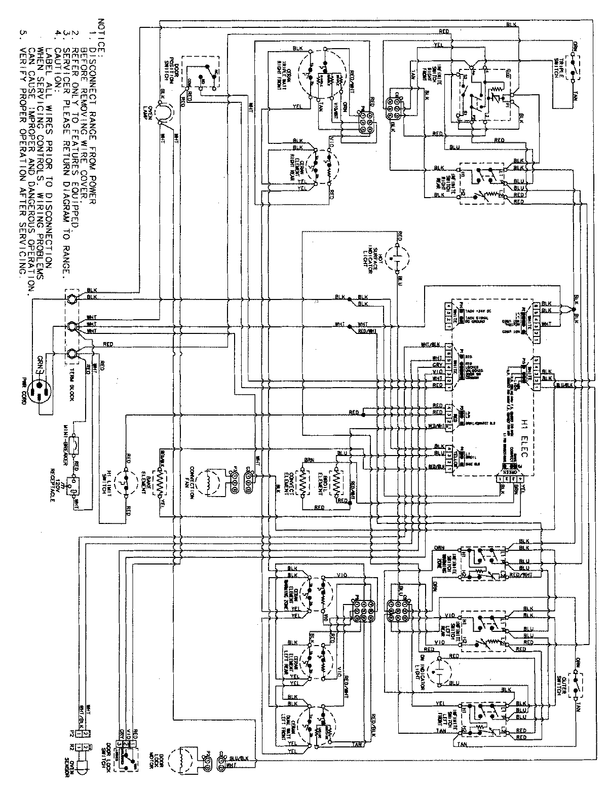
MER5875RCF 06 – WIRING INFORMATIONadmin2025-04-26T09:12:20+00:00MER5875RCF 06 – WIRING INFORMATION ProductsPositionProductNIMAY 15003758