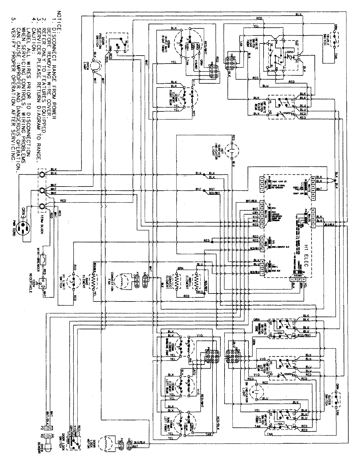
MER5875RCW 06 – WIRING INFORMATION

MER5875RCW 06 – WIRING INFORMATION

Products

PositionProduct
NIMAY 15003758