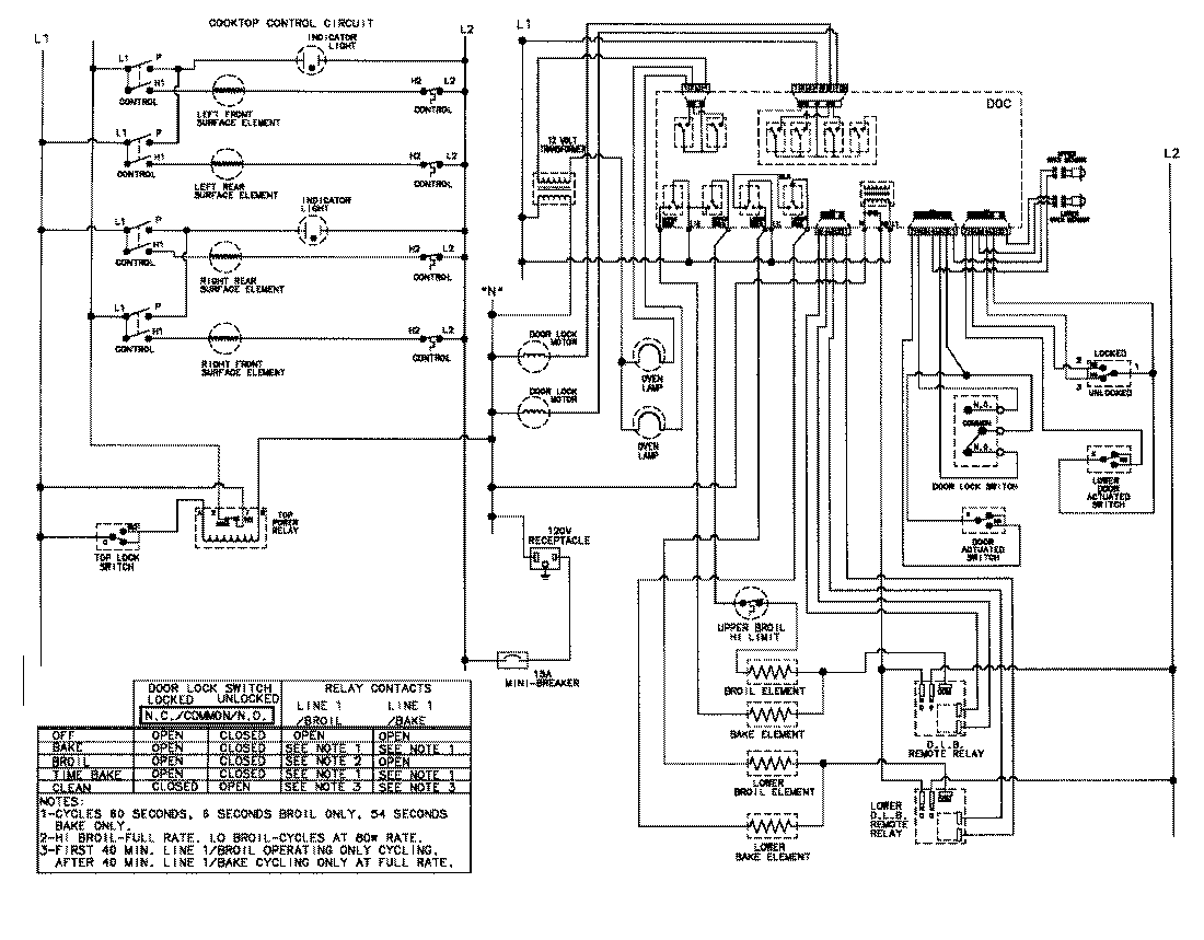
MER6550ACQ 07 – WIRING INFORMATIONadmin2025-04-26T09:13:01+00:00MER6550ACQ 07 – WIRING INFORMATION ProductsPositionProductNIMAY 15002792NIMAY 15002730