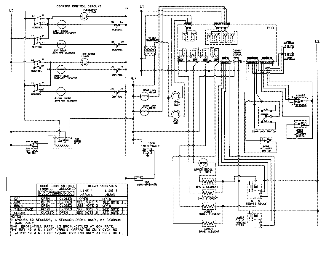
MER6550ACW 07 – WIRING INFORMATIONadmin2025-04-26T09:12:47+00:00MER6550ACW 07 – WIRING INFORMATION ProductsPositionProductNIMAY 15002792NIMAY 15002730