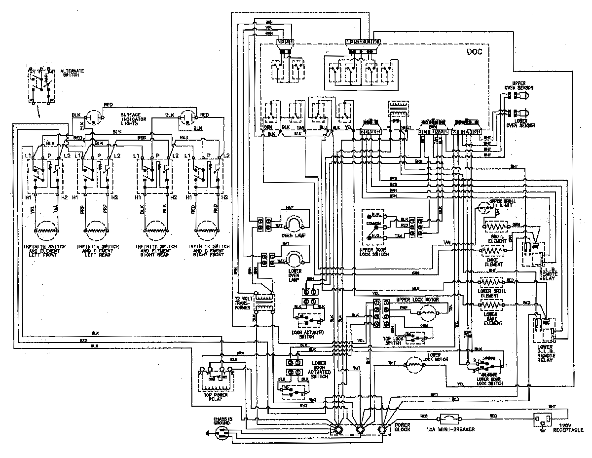
MER6550BCW 07 – WIRING INFORMATIONadmin2025-04-26T09:11:21+00:00MER6550BCW 07 – WIRING INFORMATION ProductsPositionProductNIMAY 15002792