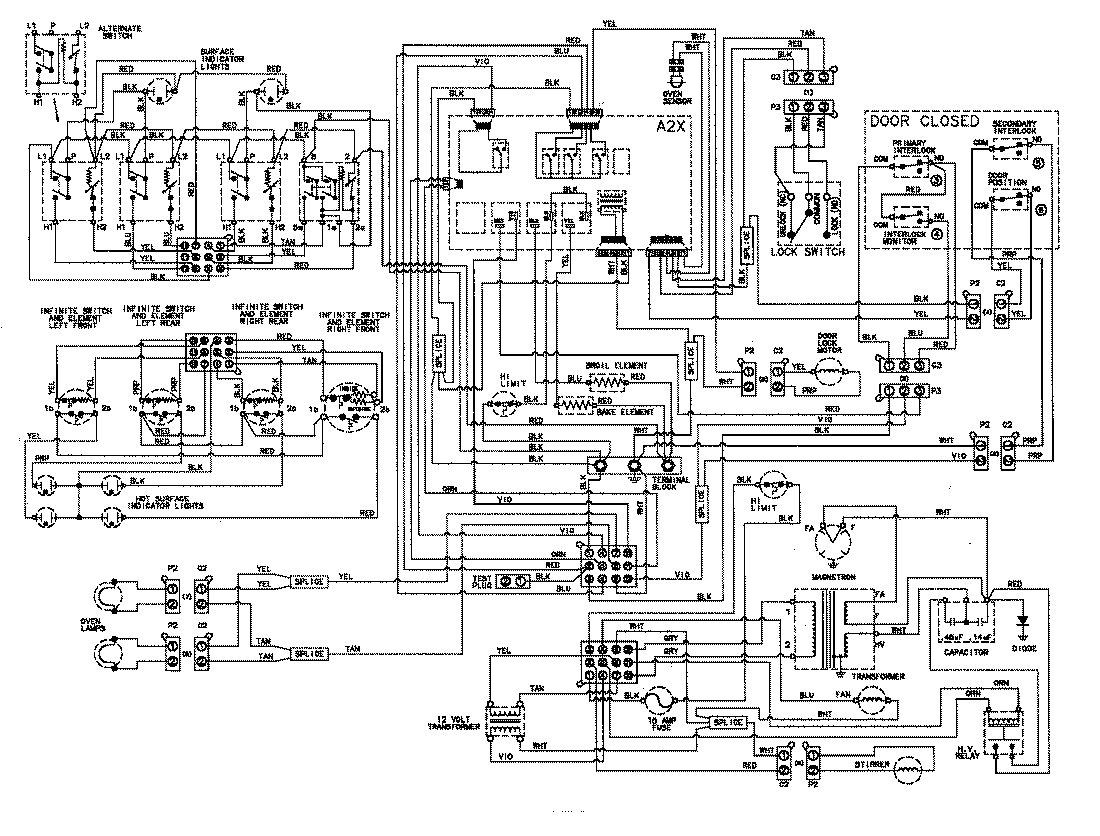
MER6750AAB 10 – WIRING INFORMATIONadmin2025-04-26T09:14:54+00:00MER6750AAB 10 – WIRING INFORMATION ProductsPositionProductNIMAY 15002739