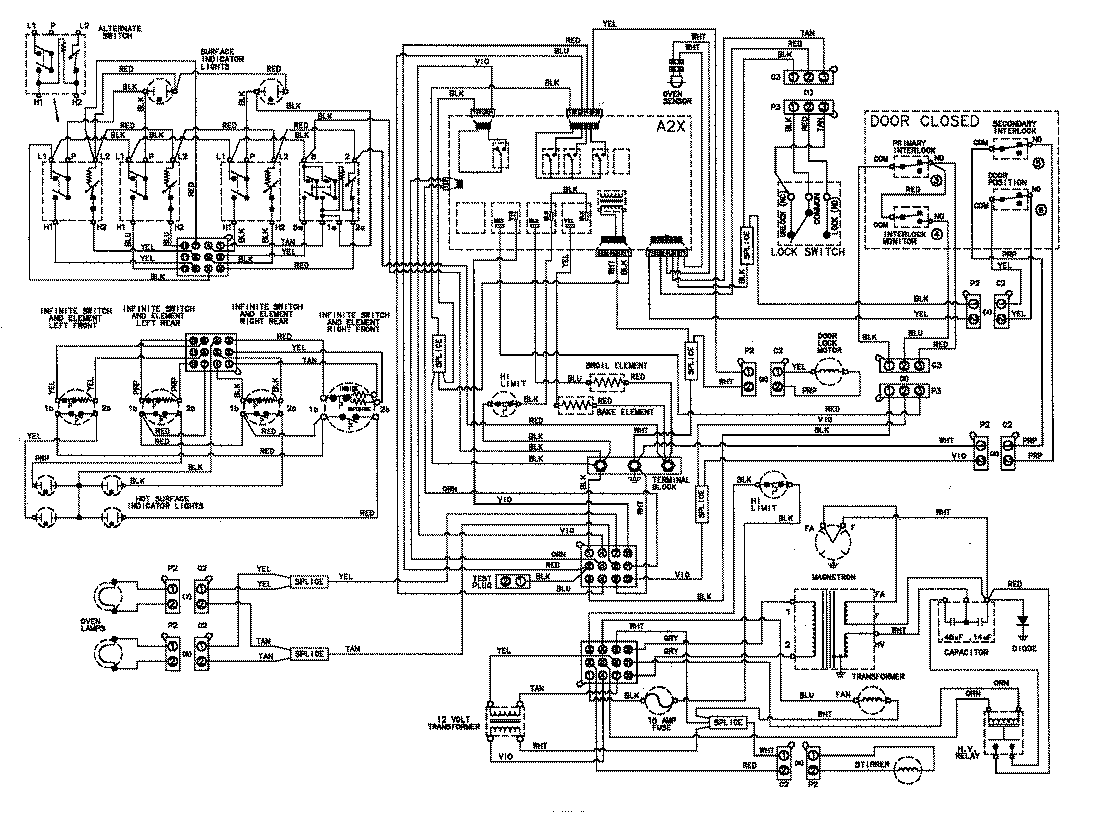
MER6750AAQ 10 – WIRING INFORMATIONadmin2025-04-26T09:12:47+00:00MER6750AAQ 10 – WIRING INFORMATION ProductsPositionProductNIMAY 15002739