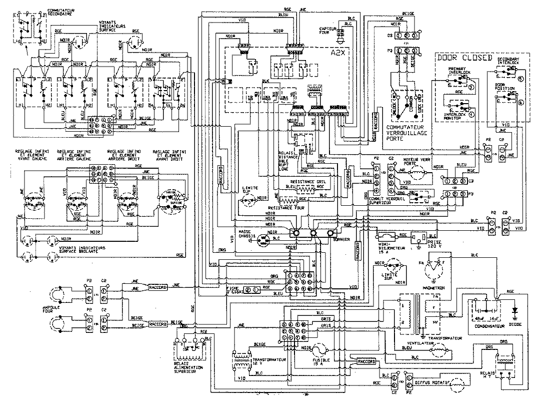
MER6750ACC 08 – WIRING INFORMATIONadmin2025-04-26T09:13:01+00:00MER6750ACC 08 – WIRING INFORMATION ProductsPositionProductNIMAY 15002780