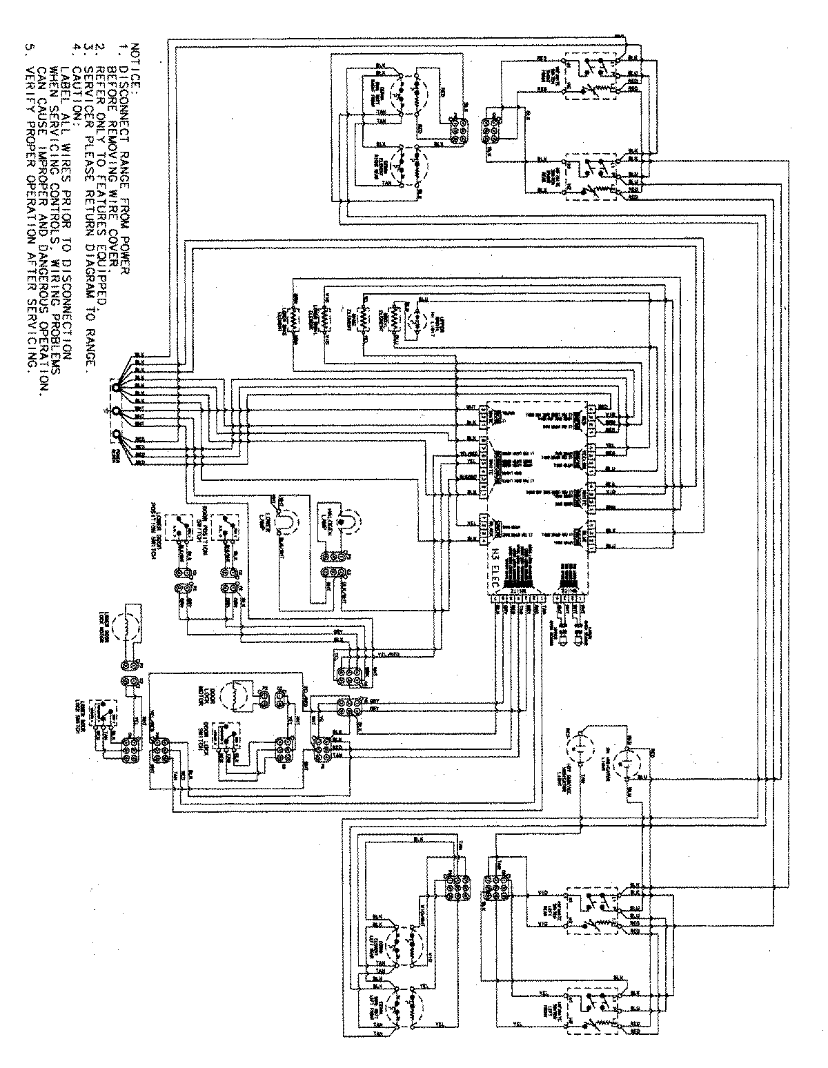
MER6751AAW 07 – WIRING INFORMATIONadmin2025-04-26T09:14:52+00:00MER6751AAW 07 – WIRING INFORMATION ProductsPositionProductNIMAY 15003557