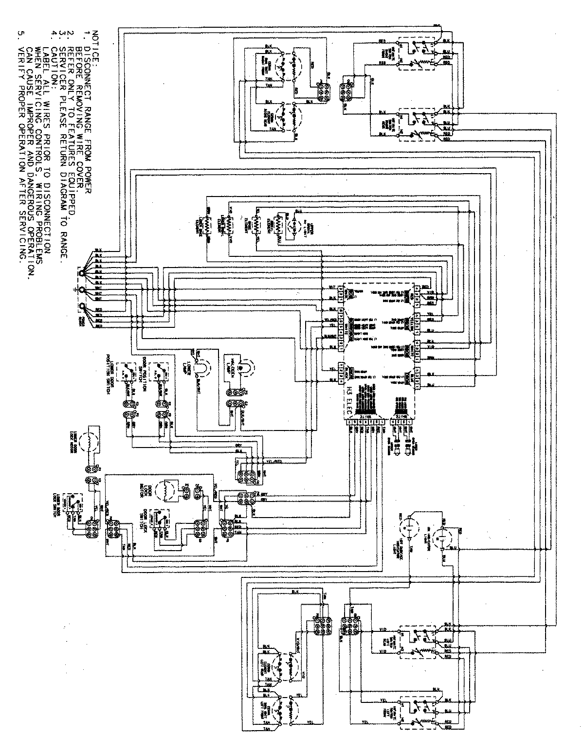
MER6755AAQ 07 – WIRING INFORMATIONadmin2025-04-26T09:14:40+00:00MER6755AAQ 07 – WIRING INFORMATION ProductsPositionProductNIMAY 15003557