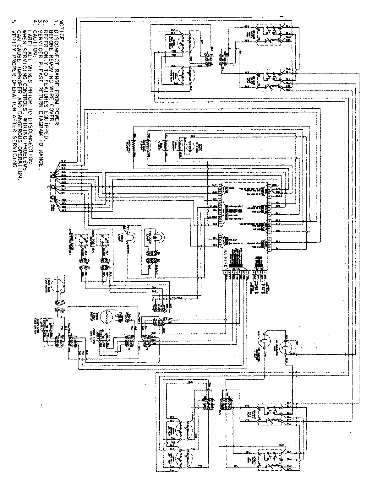
MER6755AAW 07 – WIRING INFORMATIONadmin2025-04-26T09:14:12+00:00MER6755AAW 07 – WIRING INFORMATION ProductsPositionProductNIMAY 15003557