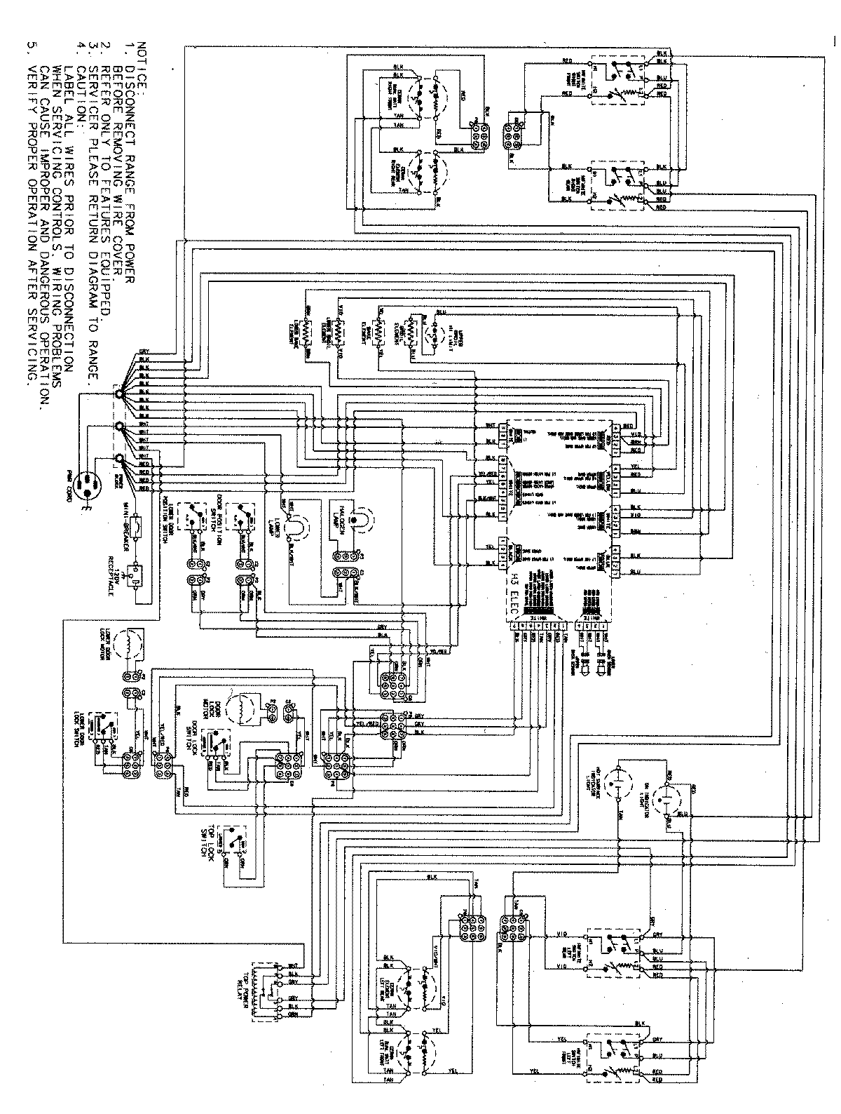
MER6755ACB 07 – WIRING INFORMATIONadmin2025-04-26T09:13:45+00:00MER6755ACB 07 – WIRING INFORMATION ProductsPositionProductNIMAY 15003621