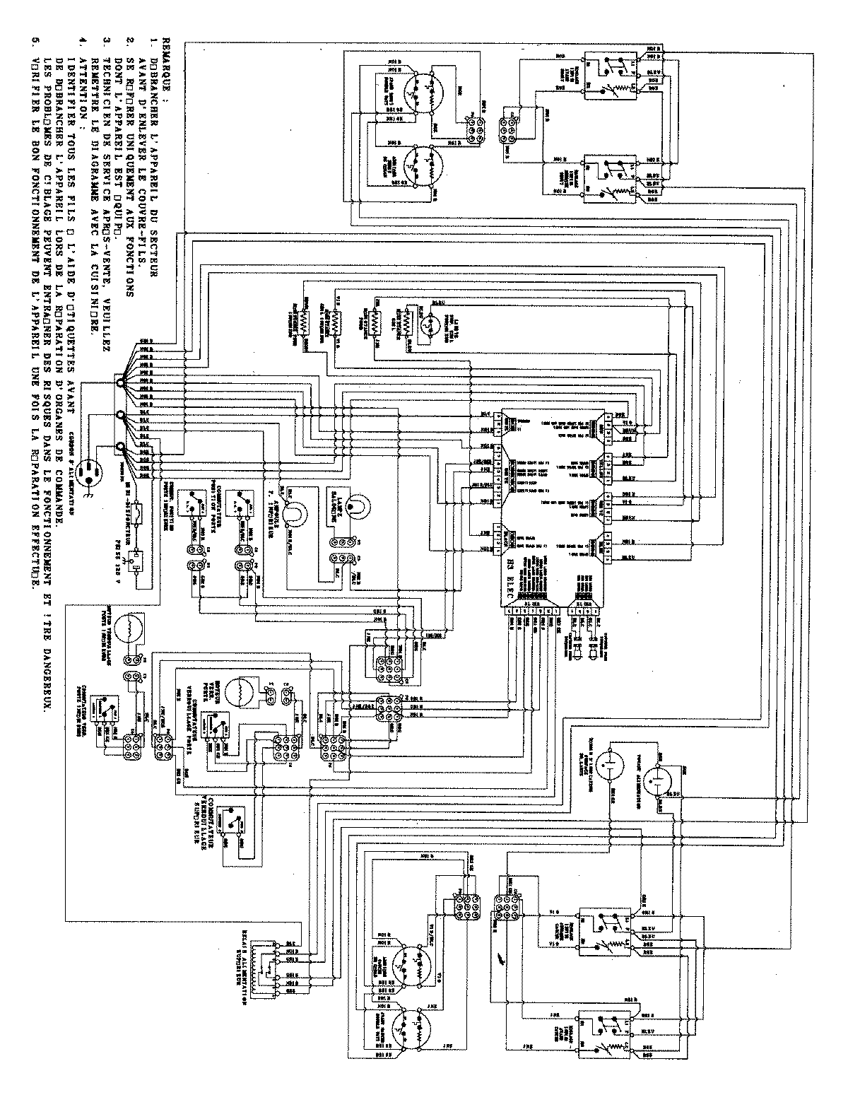
MER6755ACB 08 – WIRING INFORMATIONadmin2025-04-26T09:14:34+00:00MER6755ACB 08 – WIRING INFORMATION ProductsPositionProduct1MAY 15003622