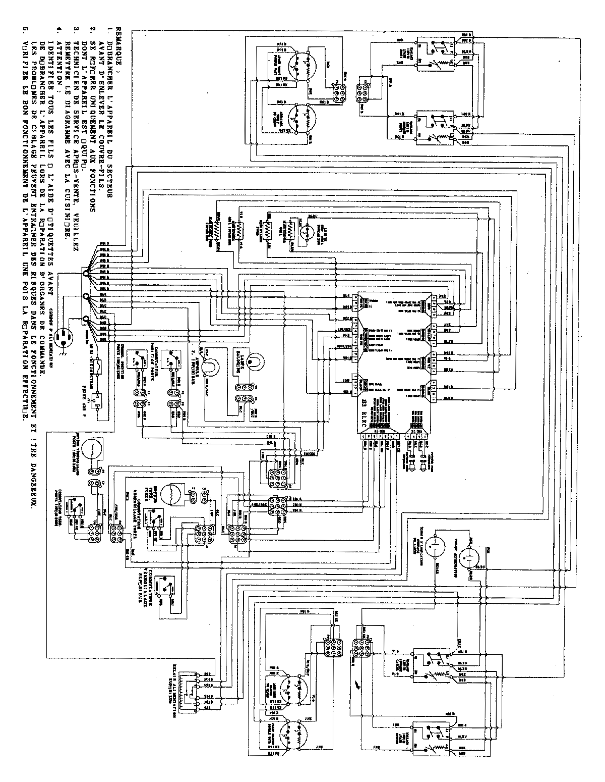
MER6755ACW 08 – WIRING INFORMATIONadmin2025-04-26T09:13:39+00:00MER6755ACW 08 – WIRING INFORMATION ProductsPositionProduct1MAY 15003622