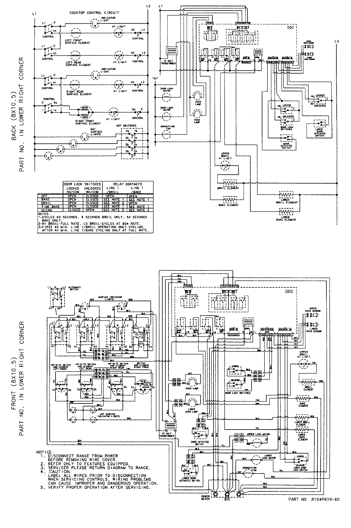
MER6770AAB 08 – WIRING INFORMATIONadmin2025-04-26T09:13:22+00:00MER6770AAB 08 – WIRING INFORMATION ProductsPositionProductNIMAY 15002619