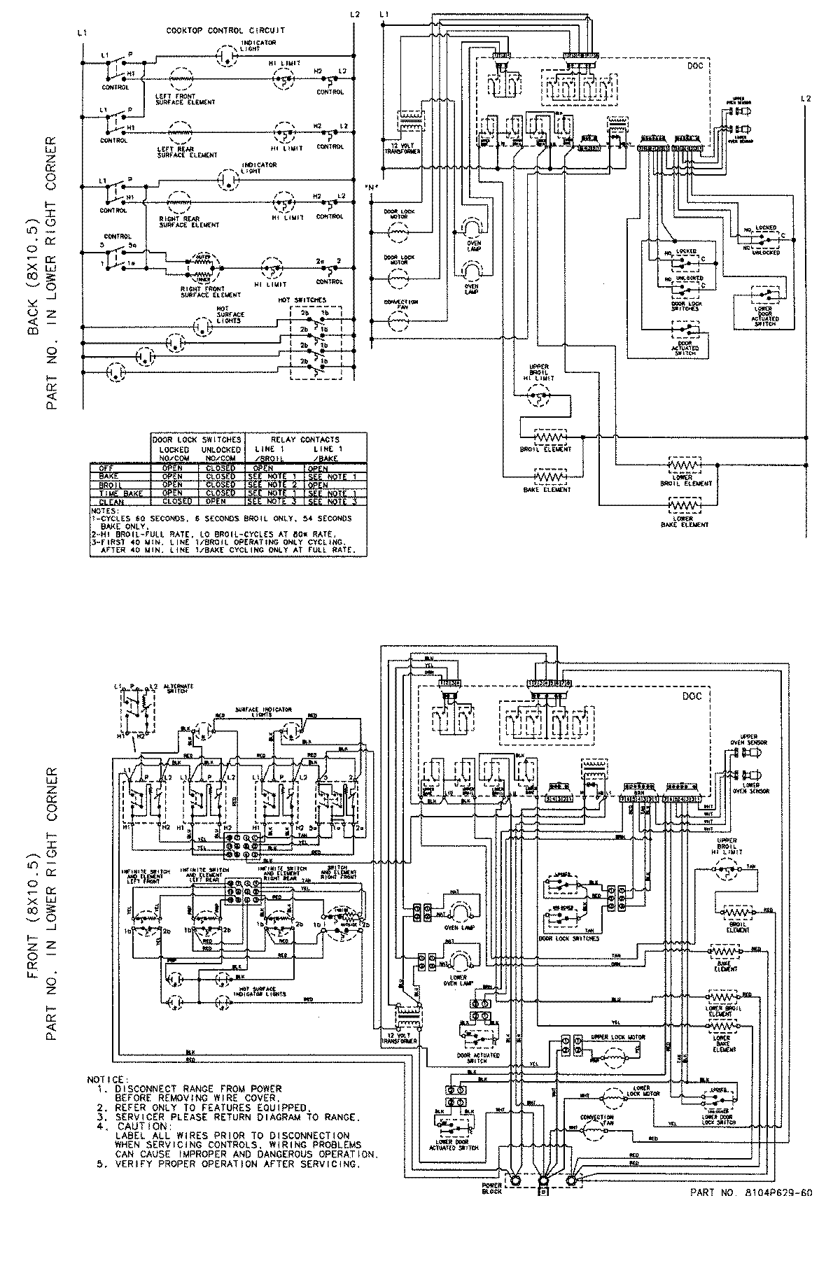
MER6770AAC 08 – WIRING INFORMATIONadmin2025-04-26T09:15:05+00:00MER6770AAC 08 – WIRING INFORMATION ProductsPositionProductNIMAY 15002619