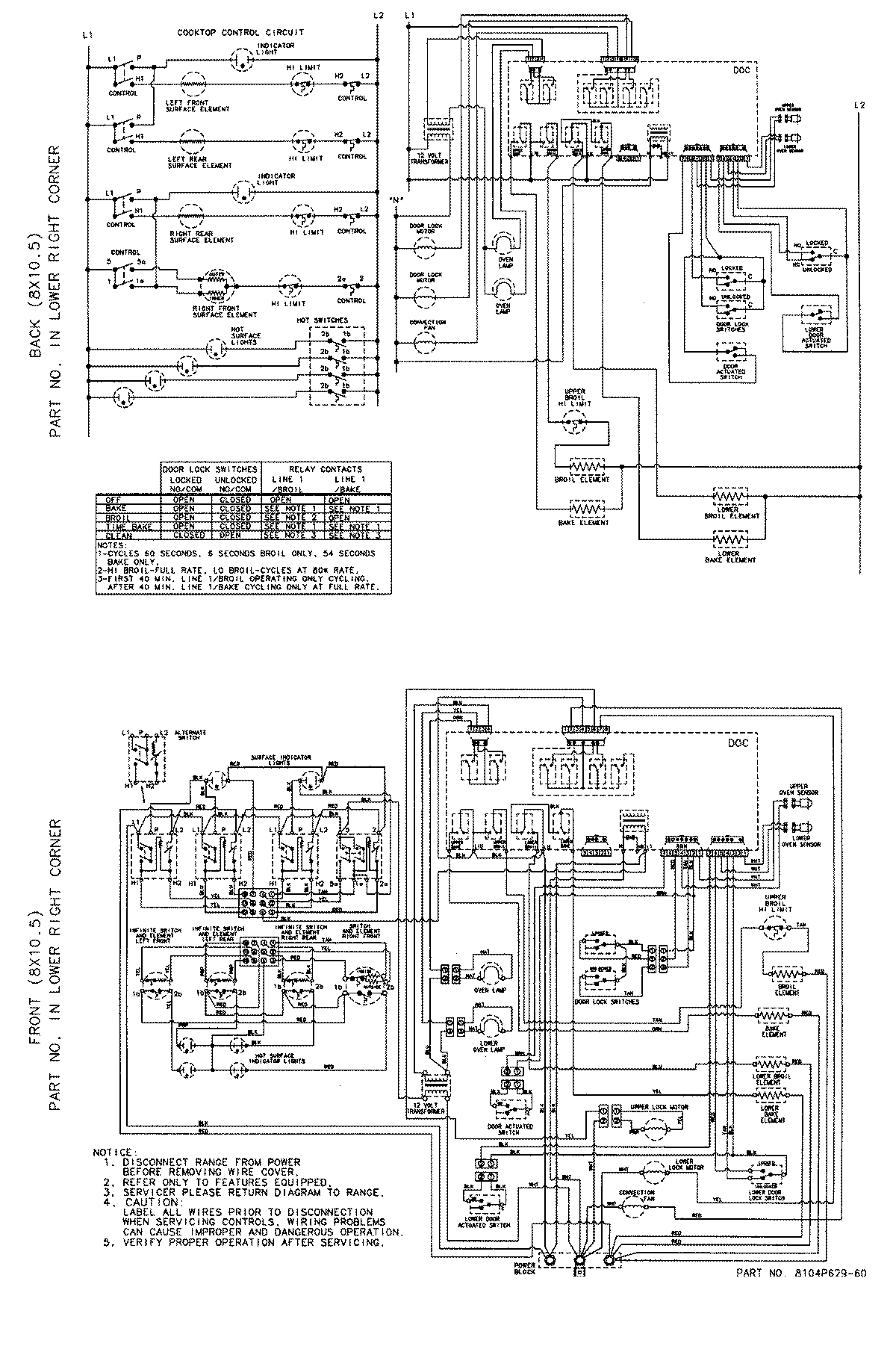
MER6770AAQ 08 – WIRING INFORMATIONadmin2025-04-26T09:13:32+00:00MER6770AAQ 08 – WIRING INFORMATION ProductsPositionProductNIMAY 15002619