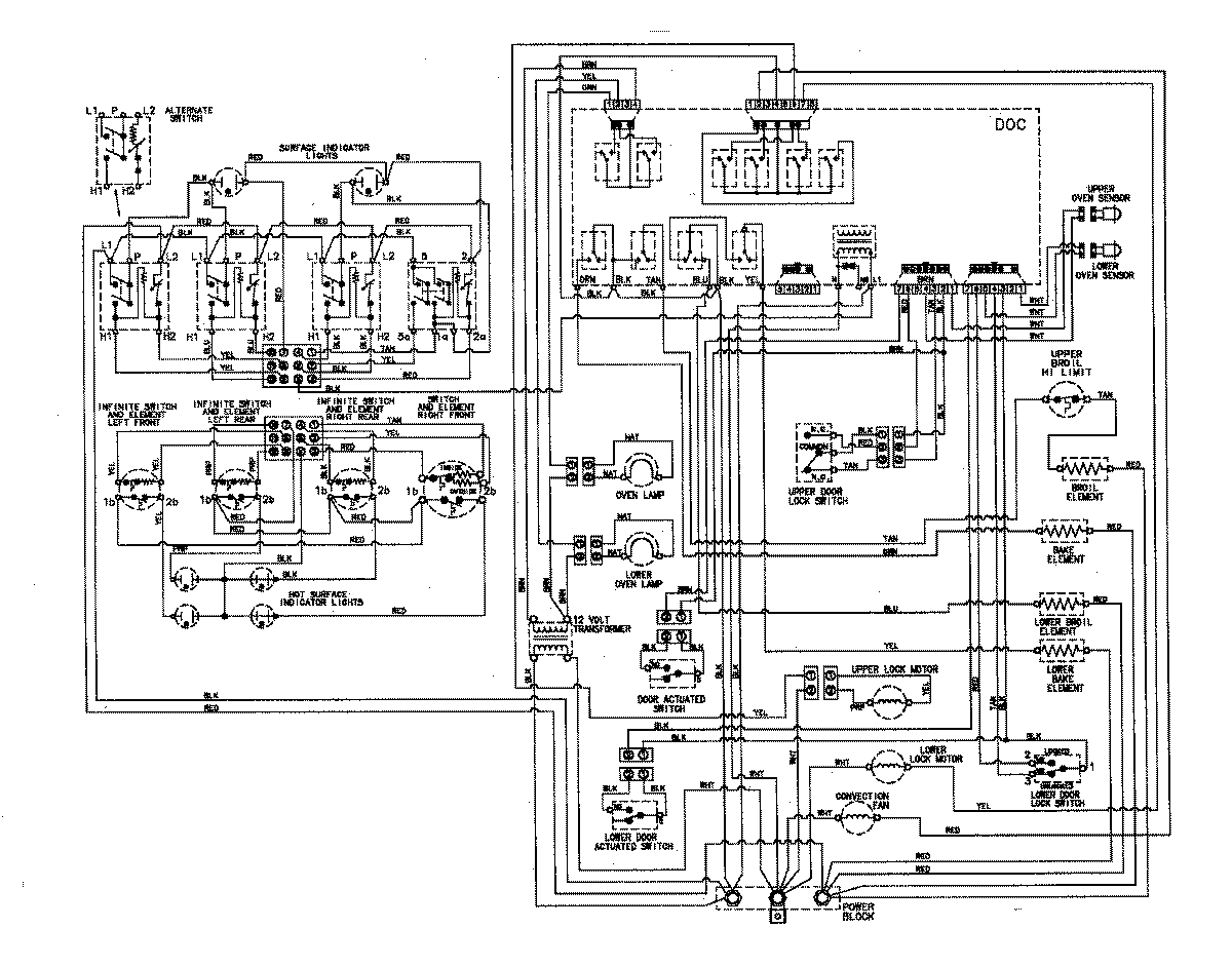
MER6770AAQ 09 – WIRING INFORMATIONadmin2025-04-26T09:15:04+00:00MER6770AAQ 09 – WIRING INFORMATION ProductsPositionProductNIMAY 15002788