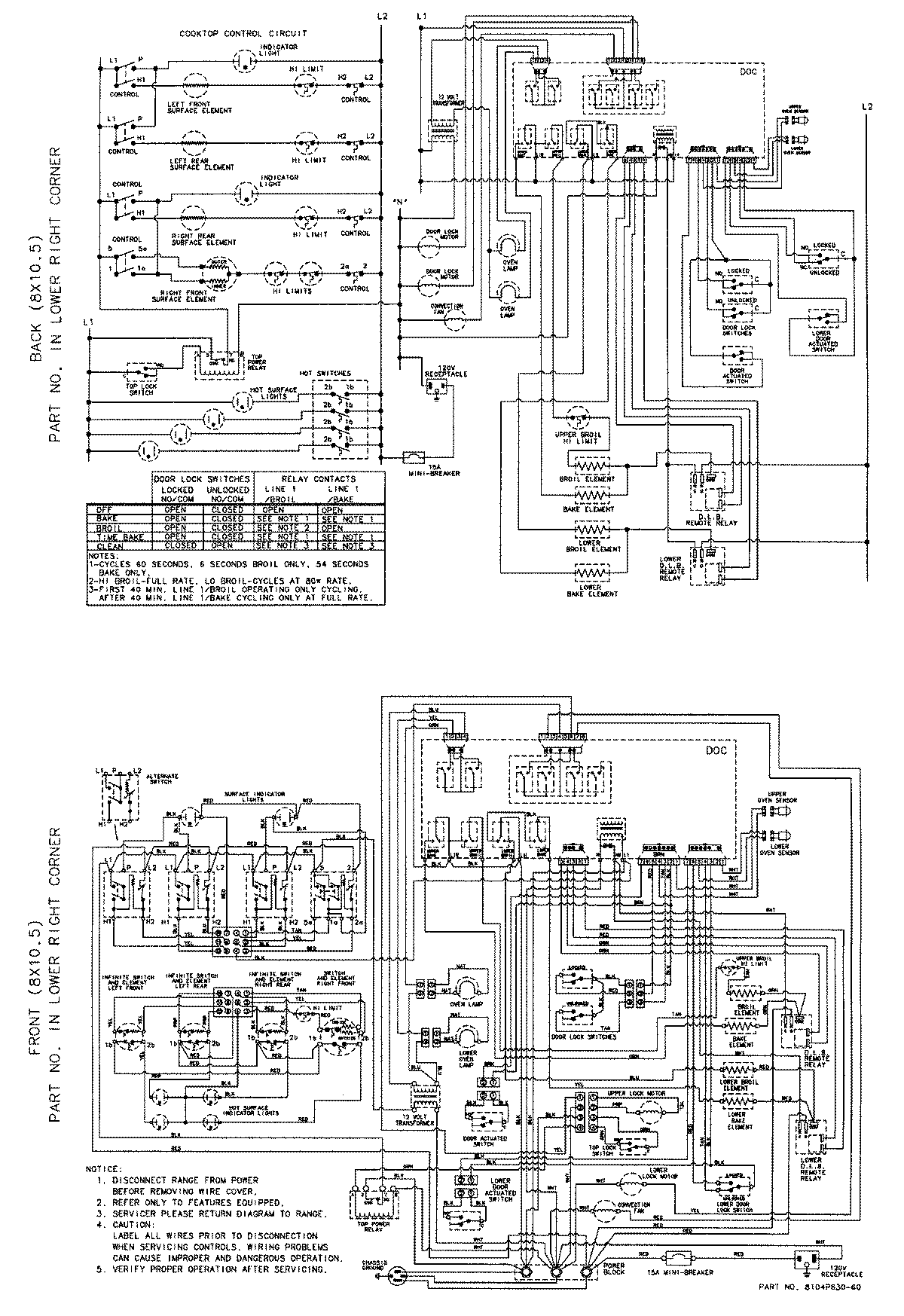
MER6770ACC 07 – WIRING INFORMATIONadmin2025-04-26T09:13:32+00:00MER6770ACC 07 – WIRING INFORMATION ProductsPositionProductNIMAY 15002626