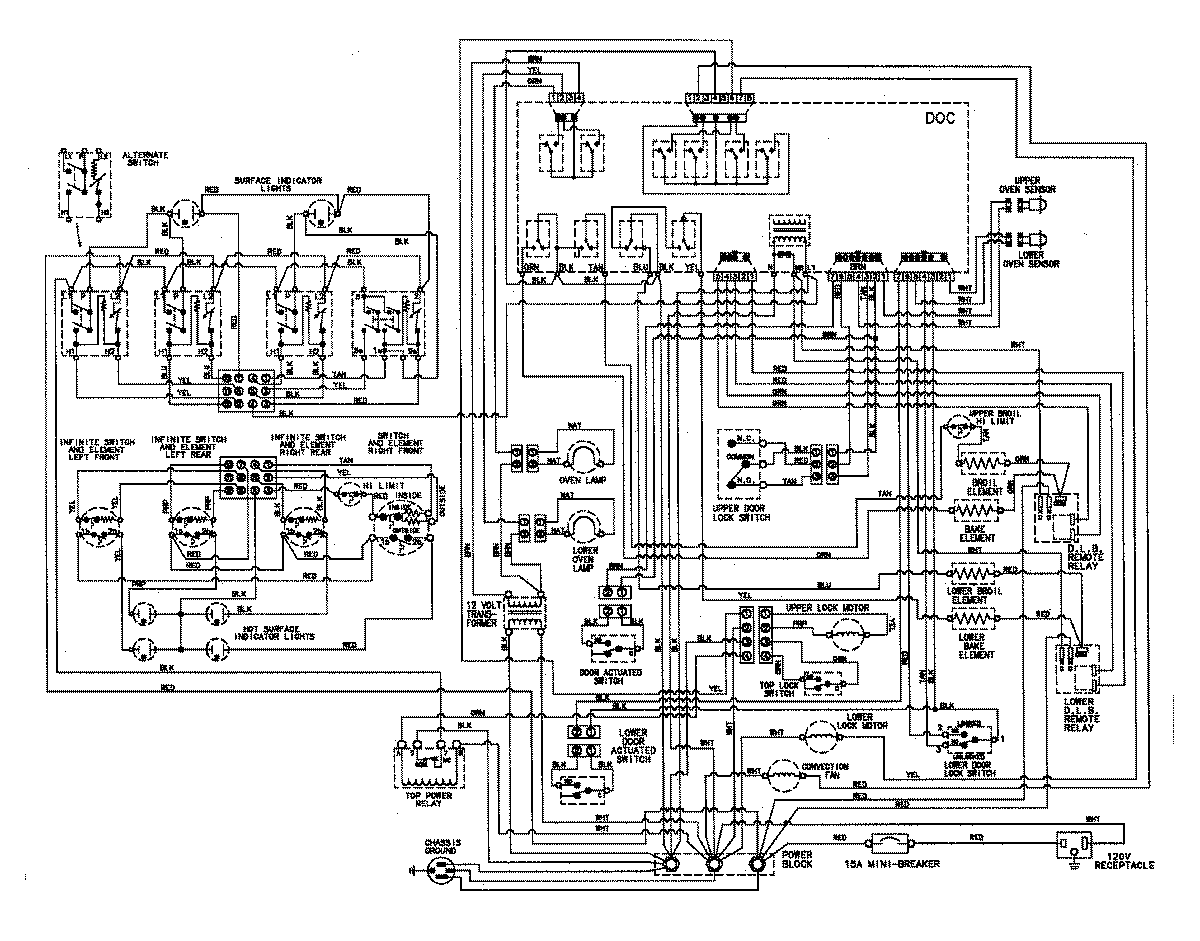
MER6770ACQ 08 – WIRING INFORMATIONadmin2025-04-26T09:13:53+00:00MER6770ACQ 08 – WIRING INFORMATION ProductsPositionProductNIMAY 15002789