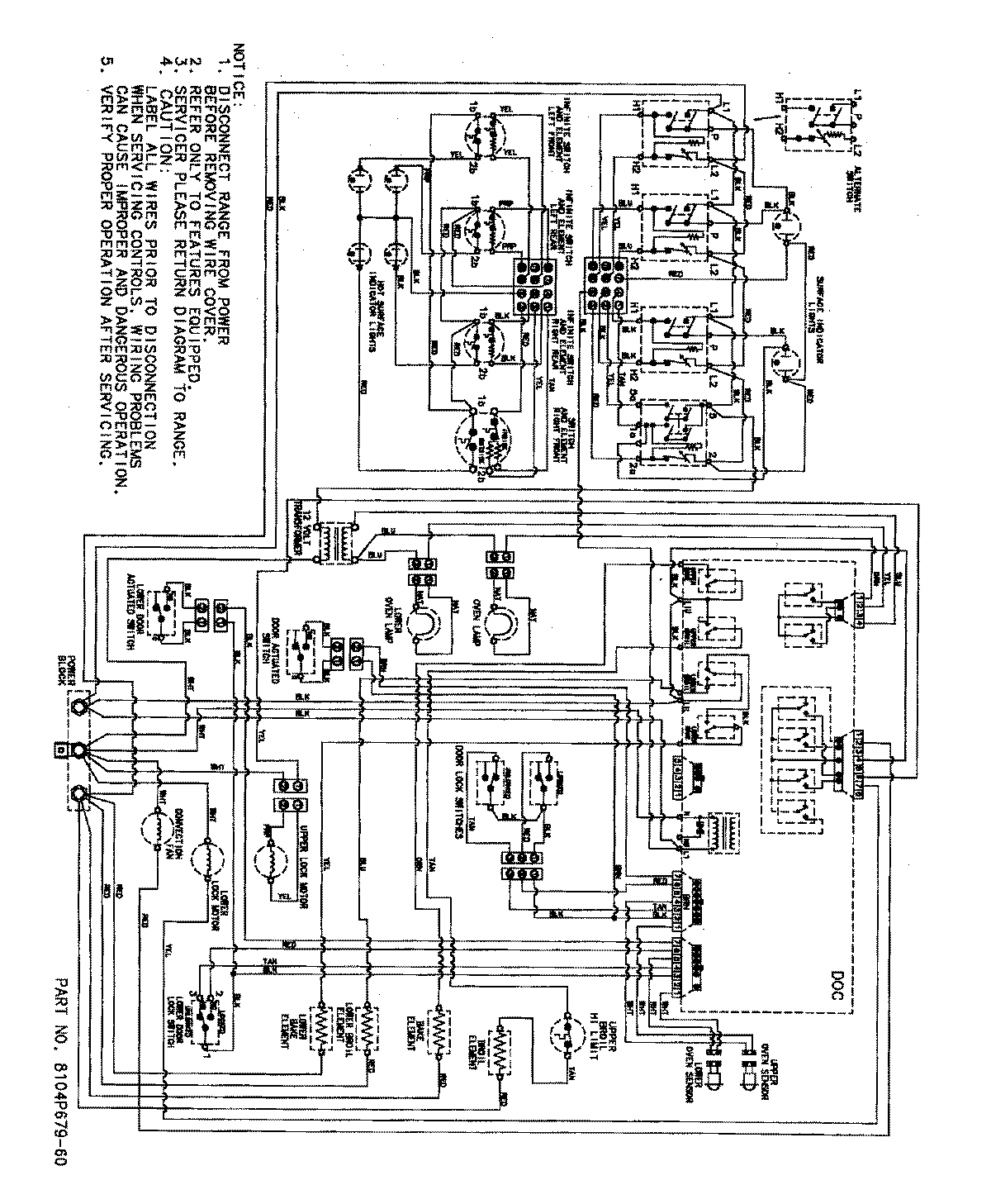
MER6771AAC 07 – WIRING INFORMATION