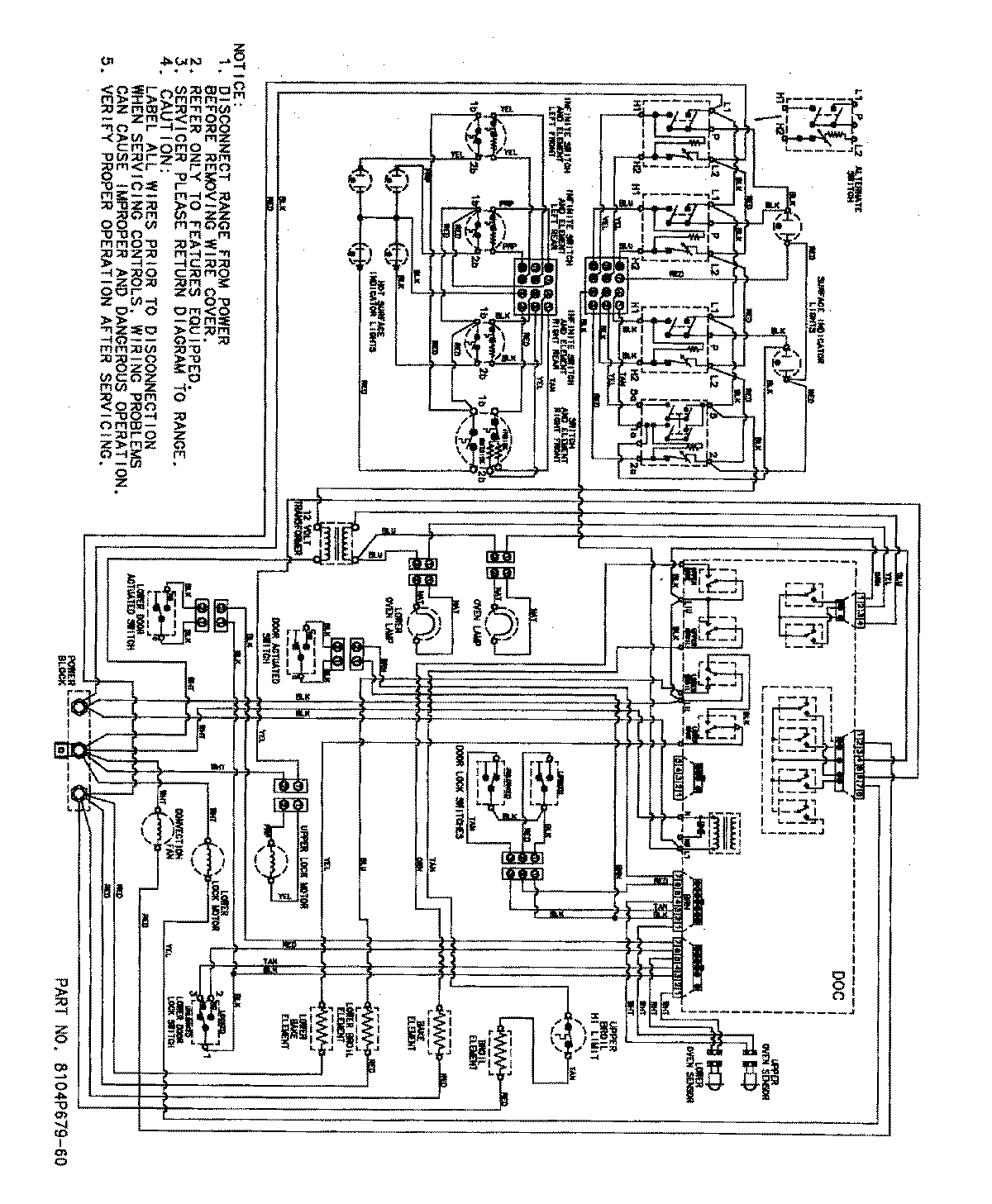
MER6771AAQ 07 – WIRING INFORMATIONadmin2025-04-26T09:15:22+00:00MER6771AAQ 07 – WIRING INFORMATION ProductsPositionProductNIMAY 15002788NIMAY 15002728NIMAY 15002727