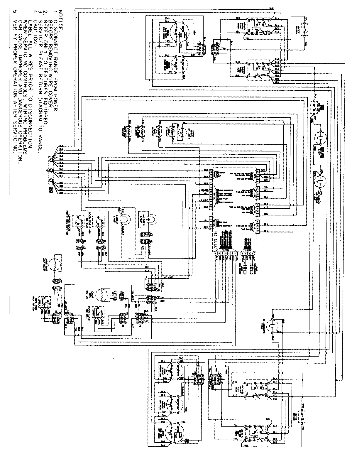
MER6775AAB 07 – WIRING INFORMATIONadmin2025-04-26T09:12:47+00:00MER6775AAB 07 – WIRING INFORMATION ProductsPositionProductNIMAY 15003558