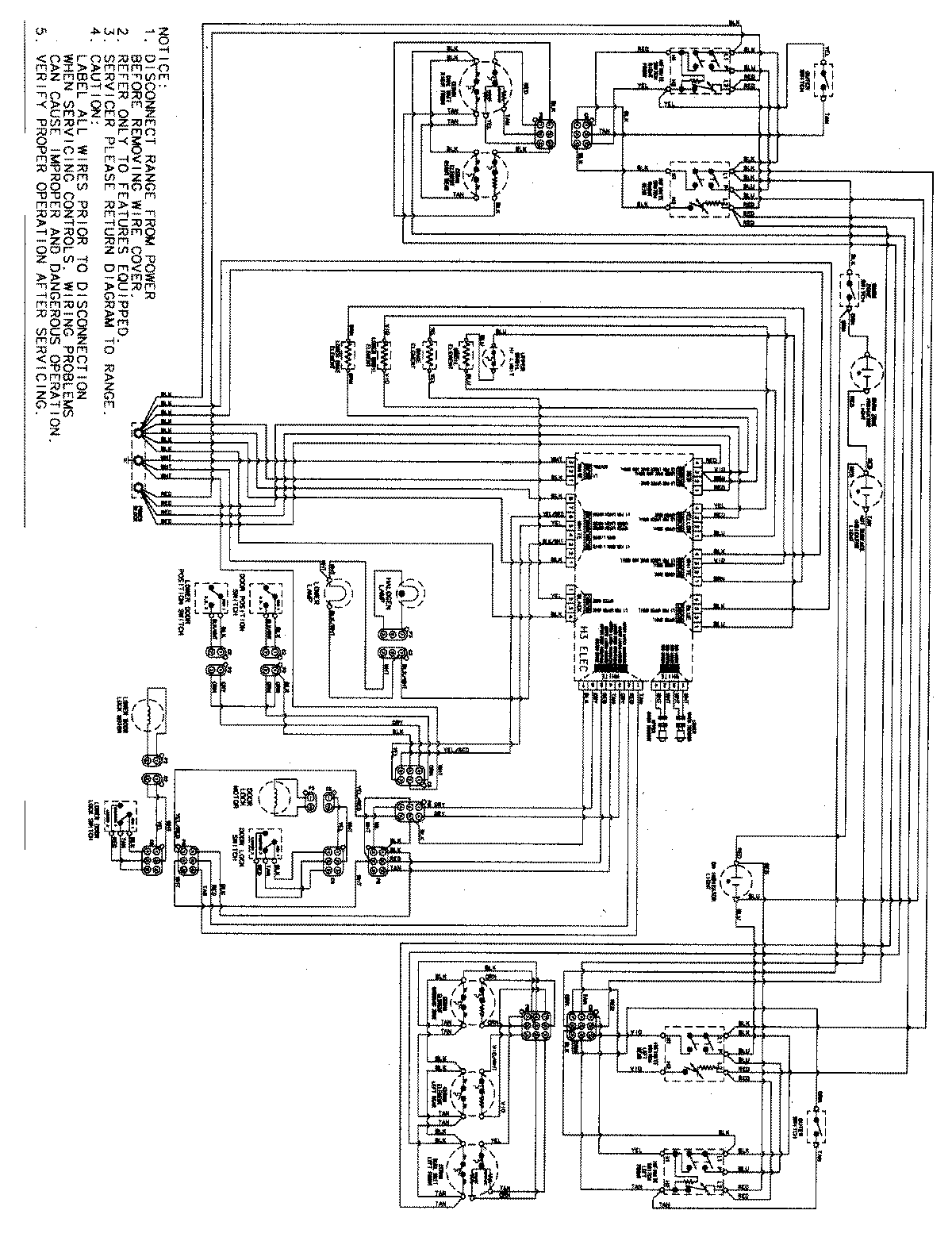
MER6775AAF 07 – WIRING INFORMATIONadmin2025-04-26T09:14:37+00:00MER6775AAF 07 – WIRING INFORMATION ProductsPositionProductNIMAY 15003558