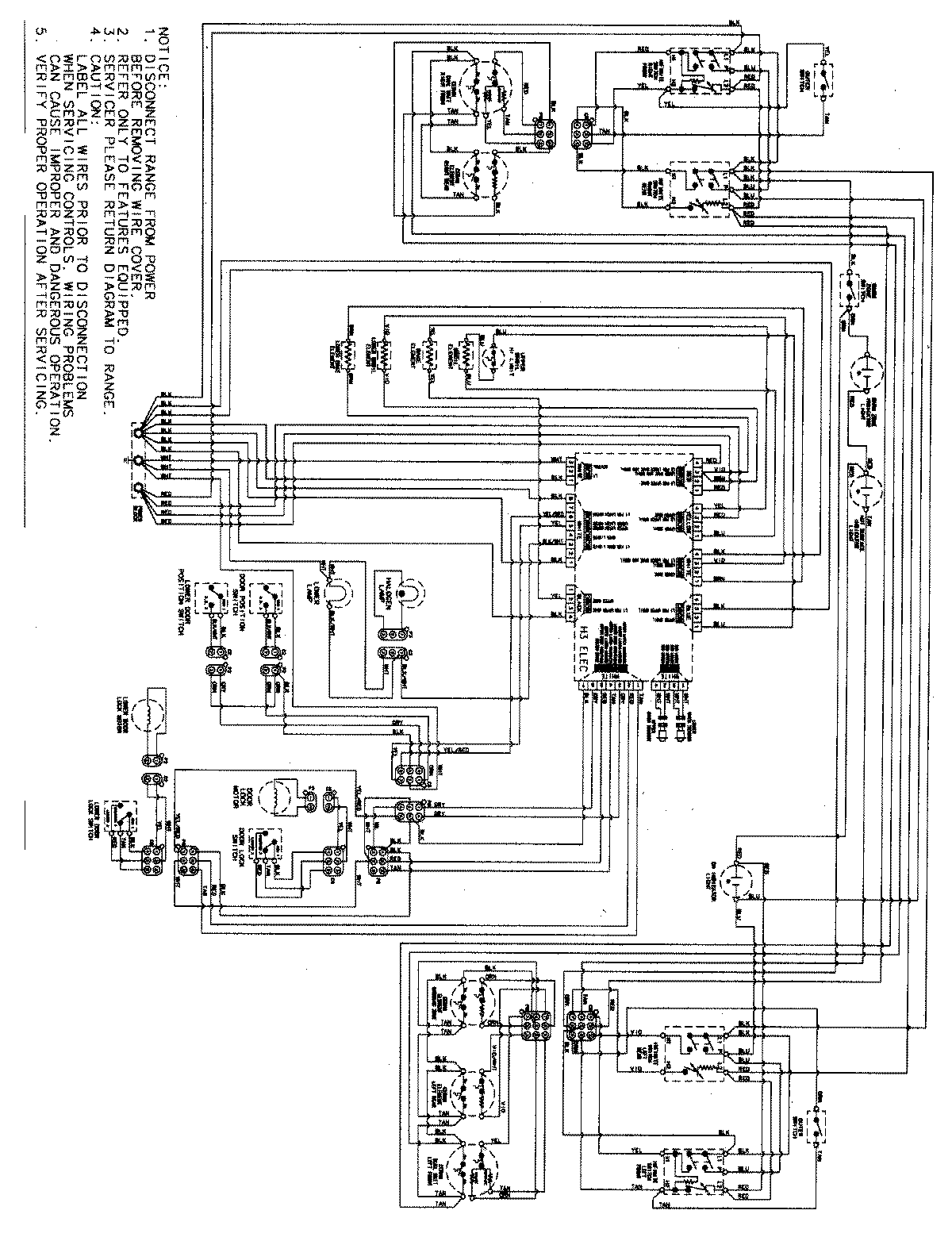
MER6775AAN 07 – WIRING INFORMATIONadmin2025-04-26T09:15:39+00:00MER6775AAN 07 – WIRING INFORMATION ProductsPositionProductNIMAY 15003558