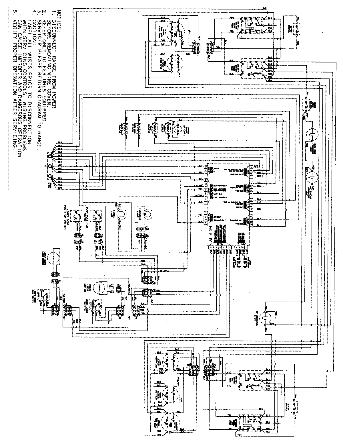
MER6775AAS 07 – WIRING INFORMATION (STL)admin2025-04-26T09:13:02+00:00MER6775AAS 07 – WIRING INFORMATION (STL) ProductsPositionProductNIMAY 15003558