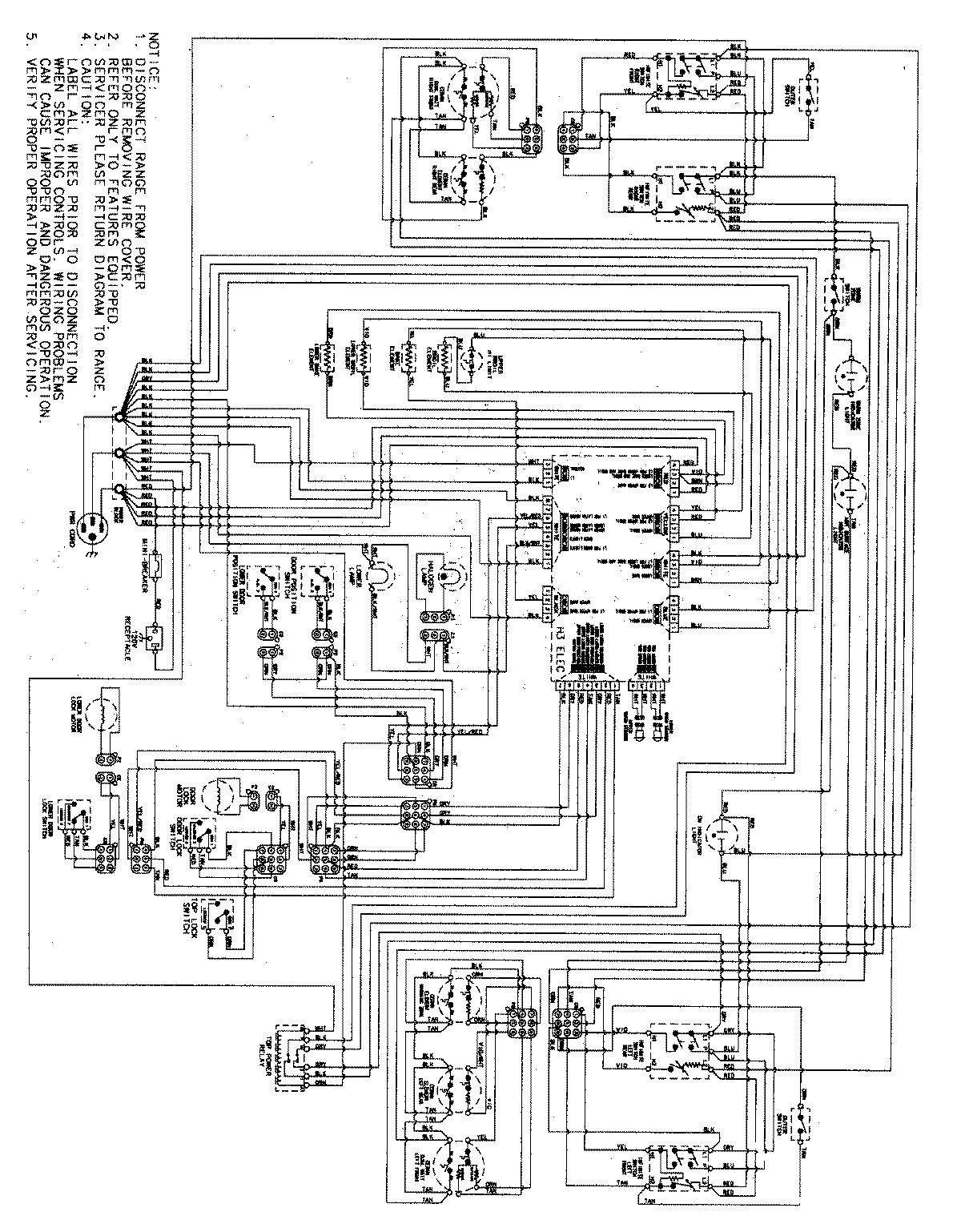
MER6775ACF 07 – WIRING INFORMATIONadmin2025-04-26T09:15:16+00:00MER6775ACF 07 – WIRING INFORMATION ProductsPositionProductNIMAY 15003623