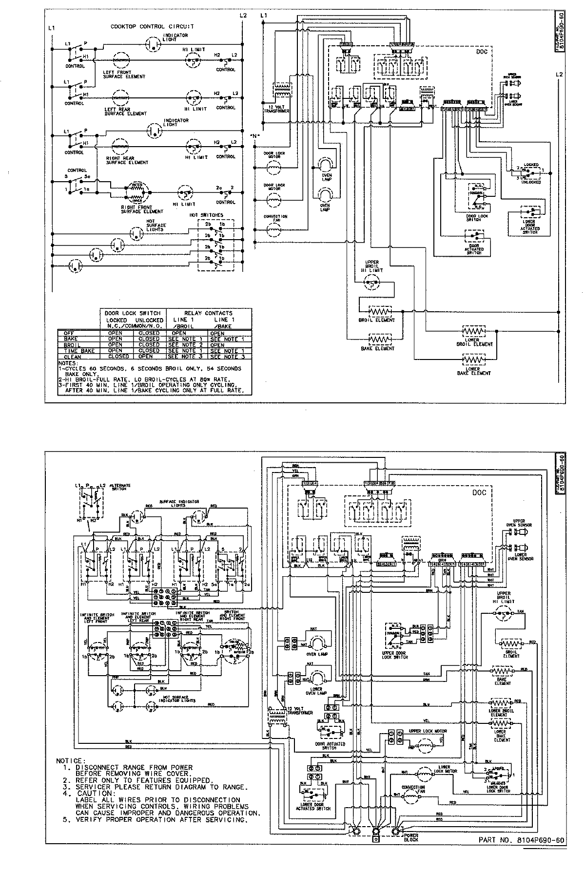
MER6870AAB 08 – WIRING INFORMATIONadmin2025-04-26T08:54:57+00:00MER6870AAB 08 – WIRING INFORMATION ProductsPositionProductNIMAY 15002728