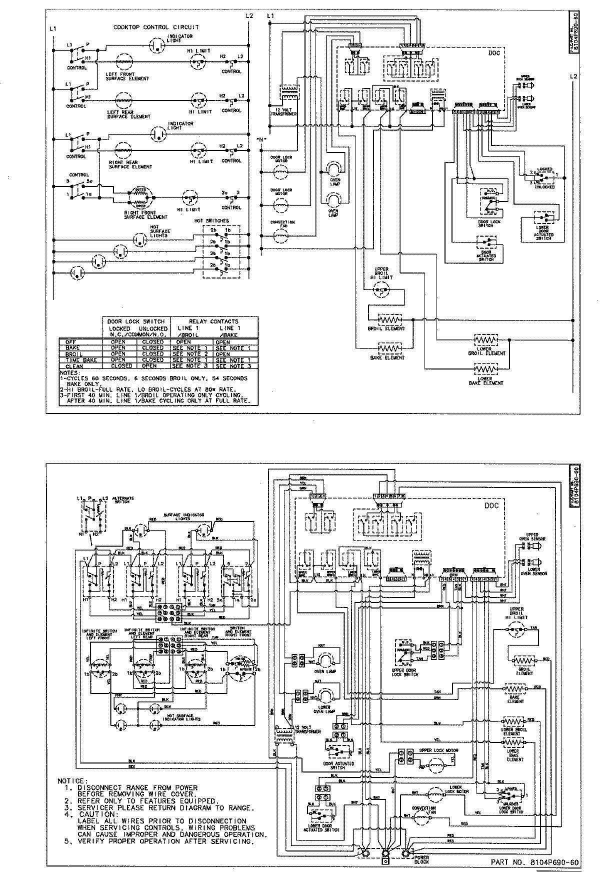
MER6870AAC 08 – WIRING INFORMATIONadmin2025-04-26T08:55:01+00:00MER6870AAC 08 – WIRING INFORMATION ProductsPositionProductNIMAY 15002728