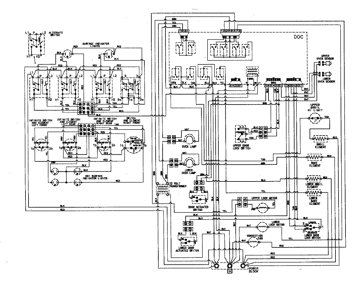
MER6870AAQ 07 – WIRING INFORMATION

MER6870AAQ 07 – WIRING INFORMATION

Products

PositionProduct
NIMAY 15002788