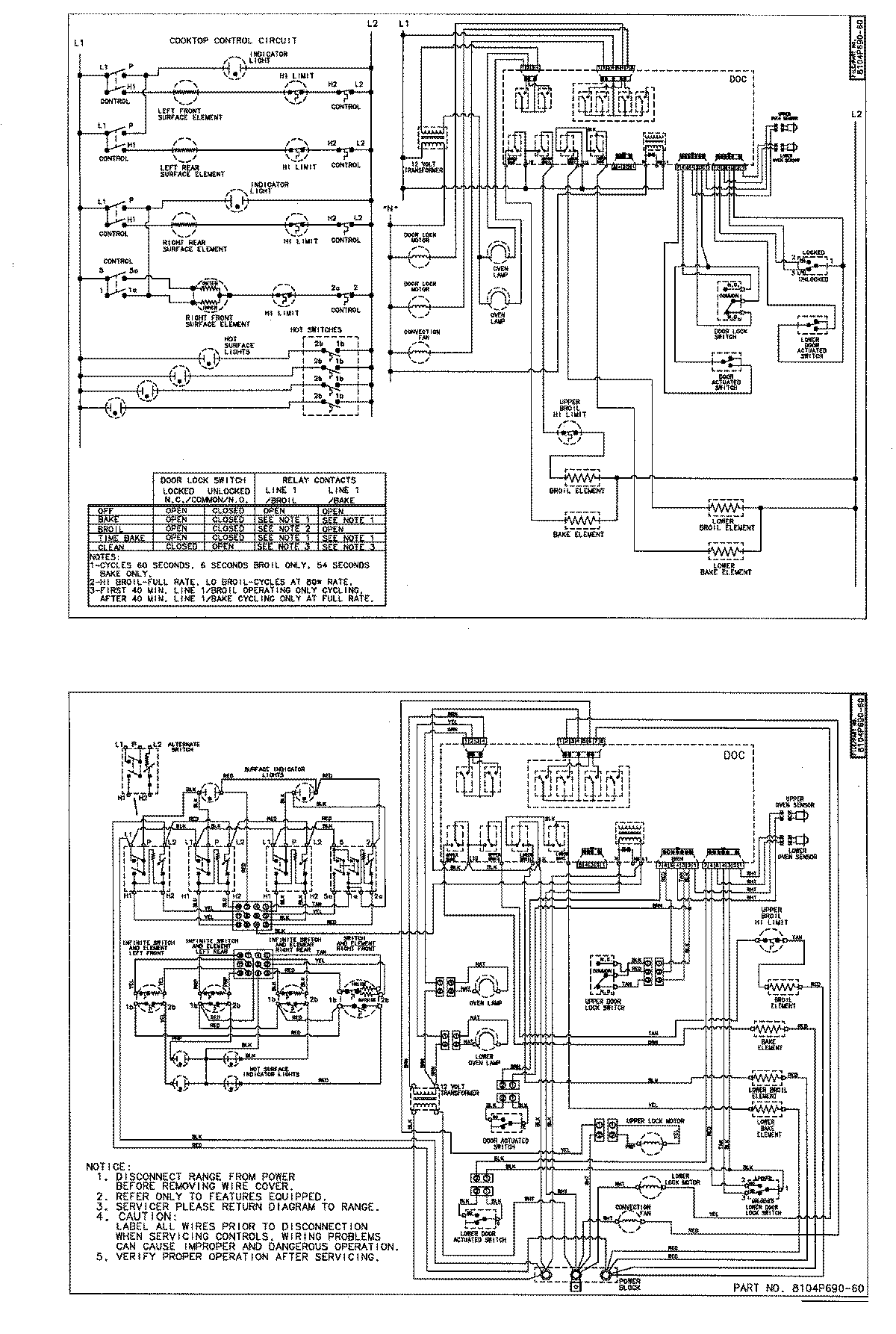
MER6870AAQ 08 – WIRING INFORMATIONadmin2025-04-26T08:54:36+00:00MER6870AAQ 08 – WIRING INFORMATION ProductsPositionProductNIMAY 15002728