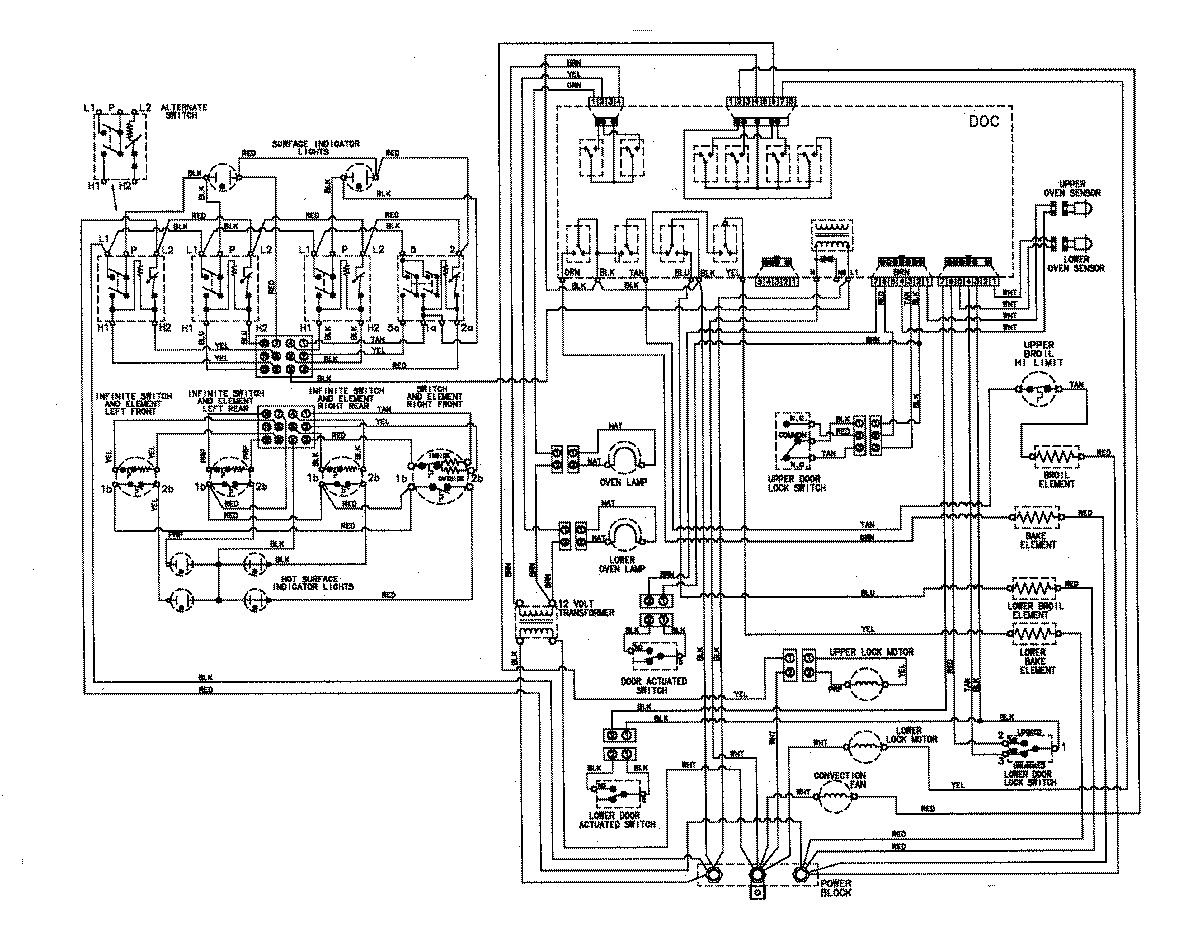
MER6870AAW 07 – WIRING INFORMATIONadmin2025-04-26T08:55:01+00:00MER6870AAW 07 – WIRING INFORMATION ProductsPositionProductNIMAY 15002788