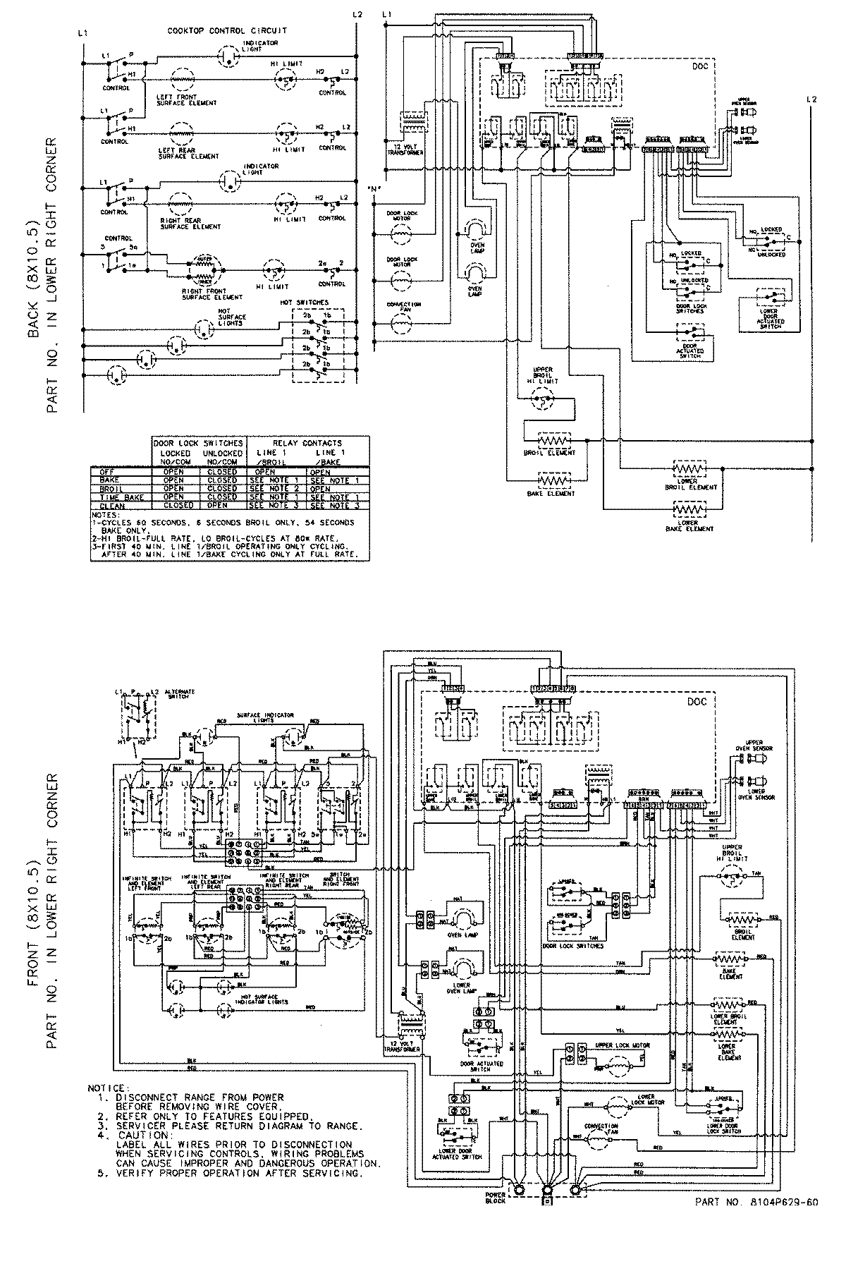
MER6870ACC 07 – WIRING INFORMATIONadmin2025-04-26T08:54:41+00:00MER6870ACC 07 – WIRING INFORMATION ProductsPositionProductNIMAY 15002731