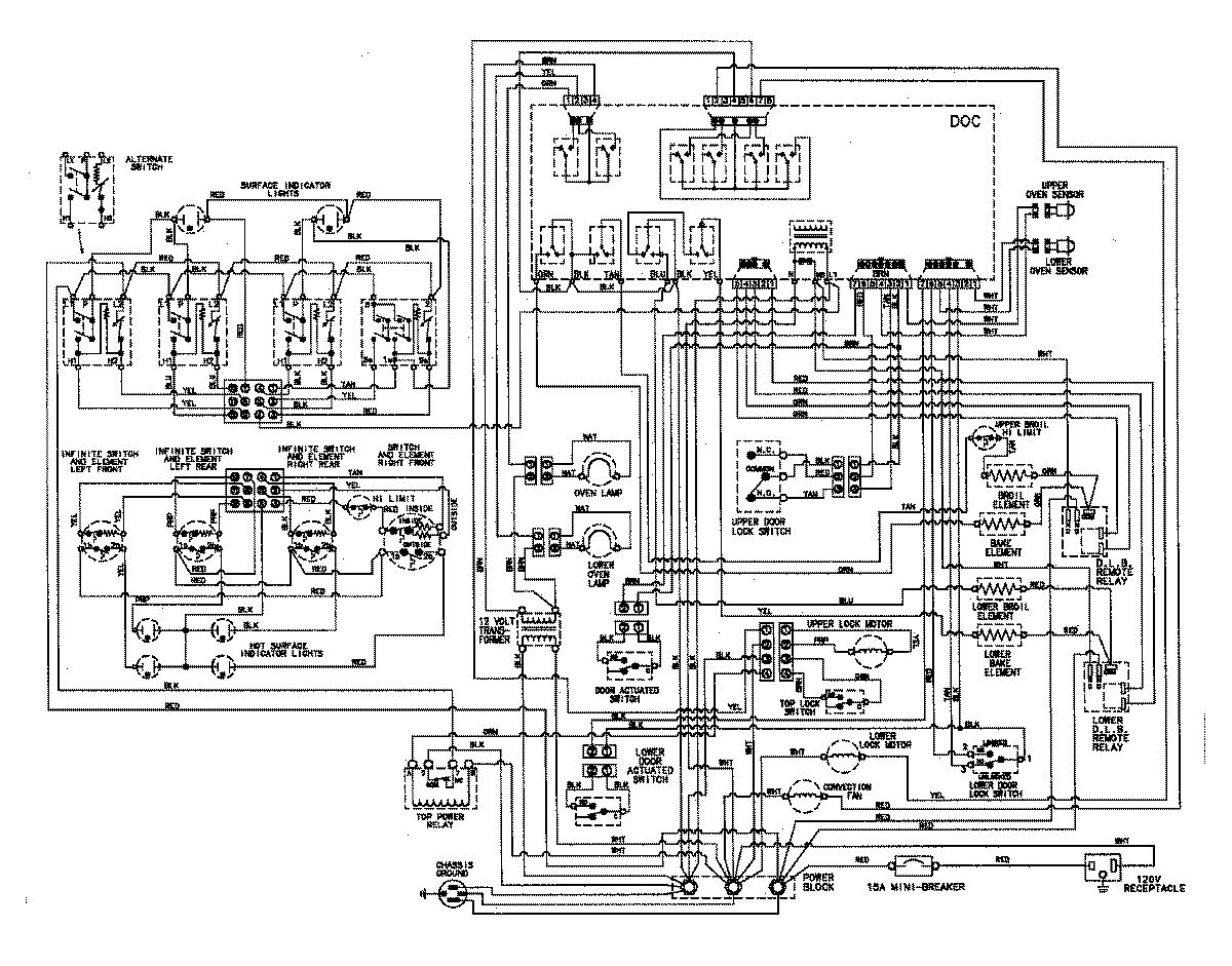
MER6870ACC 08 – WIRING INFORMATIONadmin2025-04-26T08:54:38+00:00MER6870ACC 08 – WIRING INFORMATION ProductsPositionProductNIMAY 15002789