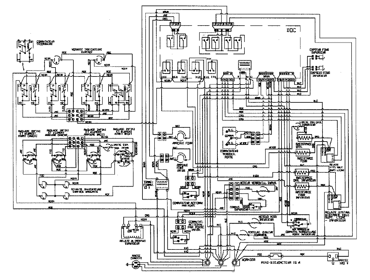
MER6870ACC 09 – WIRING INFORMATIONadmin2025-04-26T08:54:51+00:00MER6870ACC 09 – WIRING INFORMATION ProductsPositionProduct1MAY 15002790