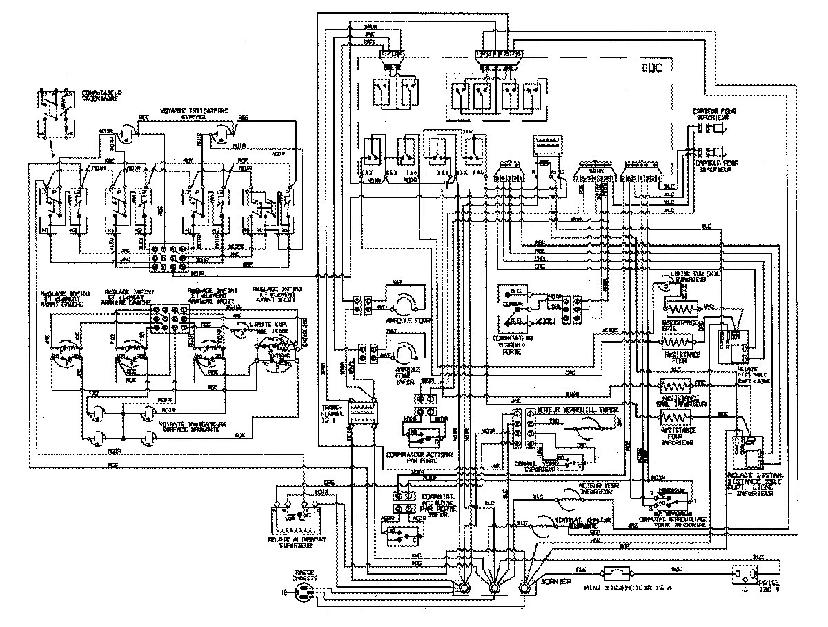
MER6870ACW 09 – WIRING INFORMATIONadmin2025-04-26T08:54:34+00:00MER6870ACW 09 – WIRING INFORMATION ProductsPositionProduct1MAY 15002790