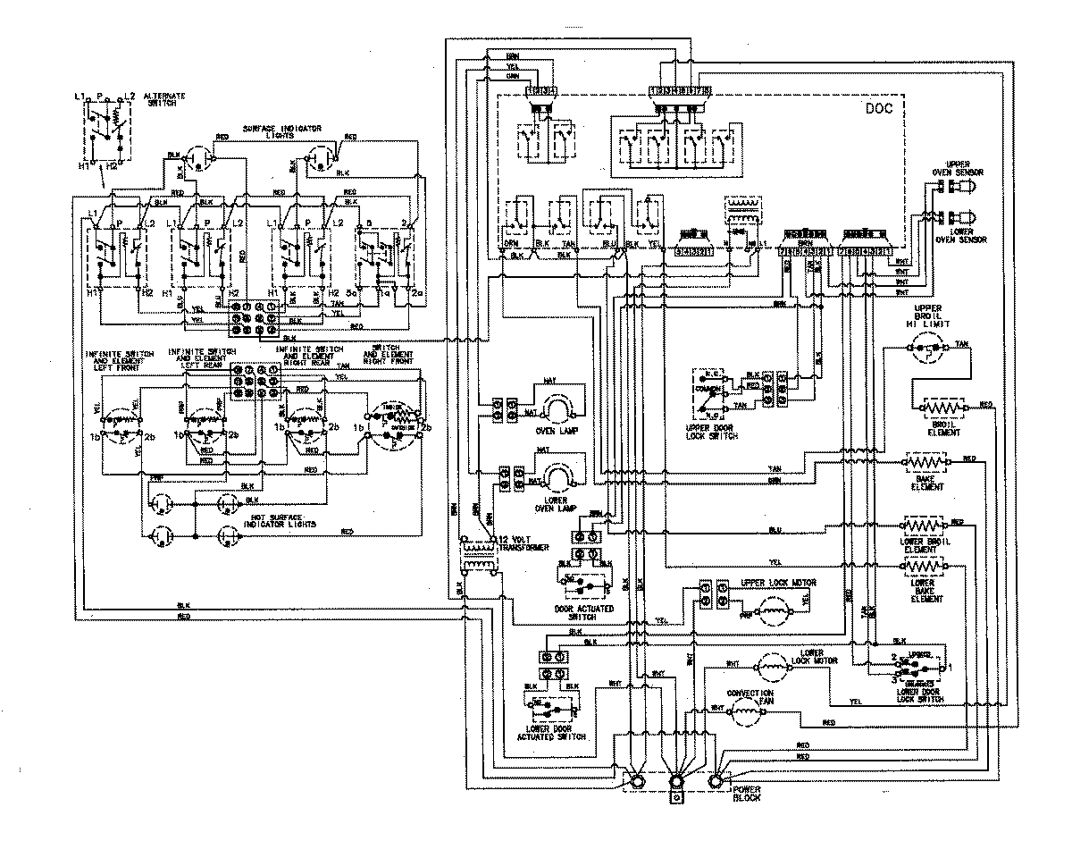
MER6871AAB 07 – WIRING INFORMATIONadmin2025-04-26T08:55:00+00:00MER6871AAB 07 – WIRING INFORMATION ProductsPositionProductNIMAY 15002788