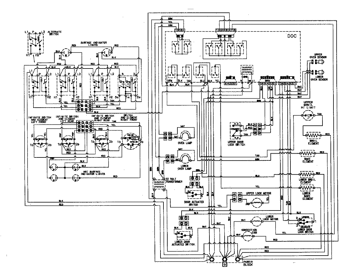
MER6871AAQ 07 – WIRING INFORMATIONadmin2025-04-26T08:54:49+00:00MER6871AAQ 07 – WIRING INFORMATION ProductsPositionProductNIMAY 15002788