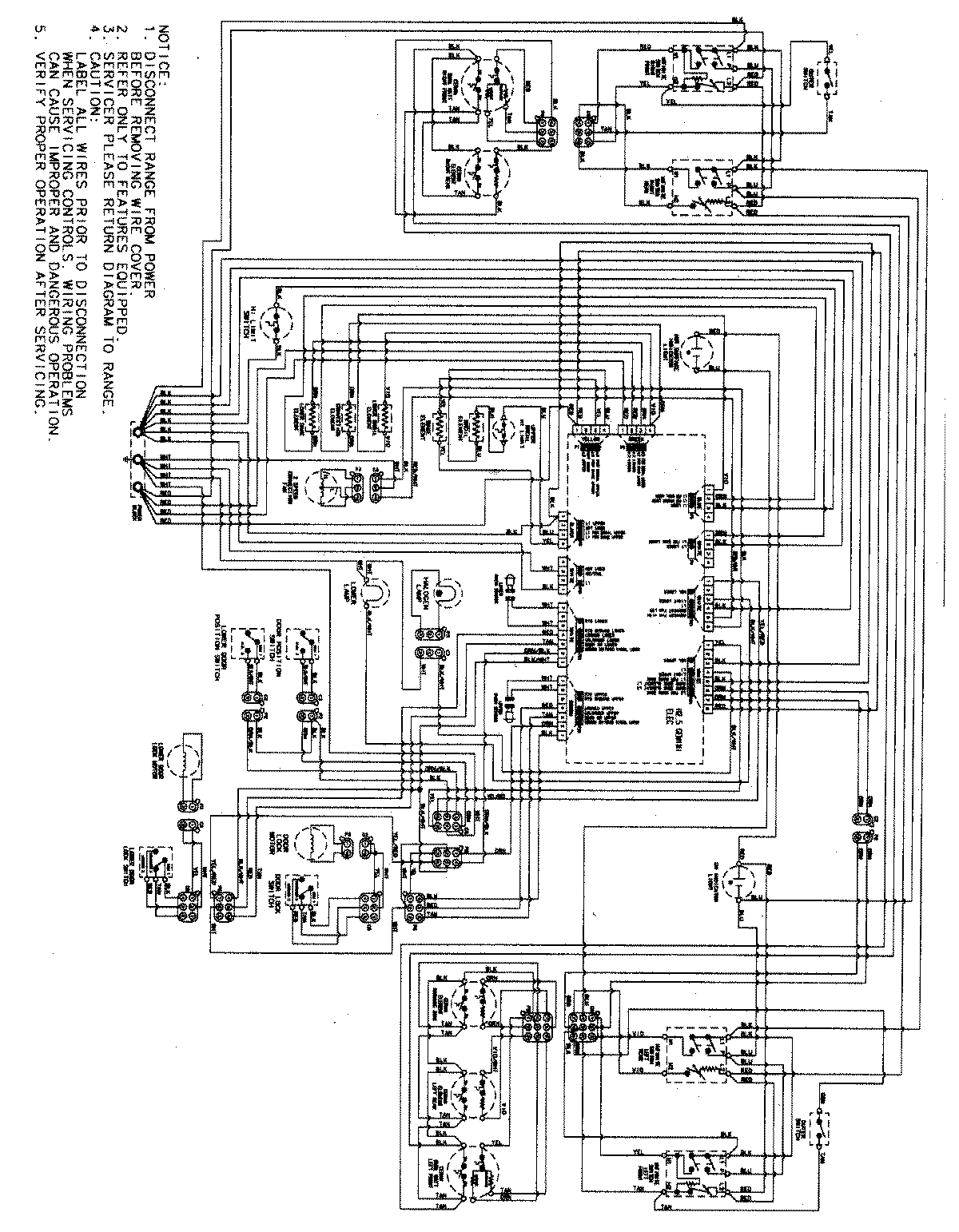
MER6875AAF 07 – WIRING INFORMATION

MER6875AAF 07 – WIRING INFORMATION

Products

PositionProduct
NIMAY 15003559