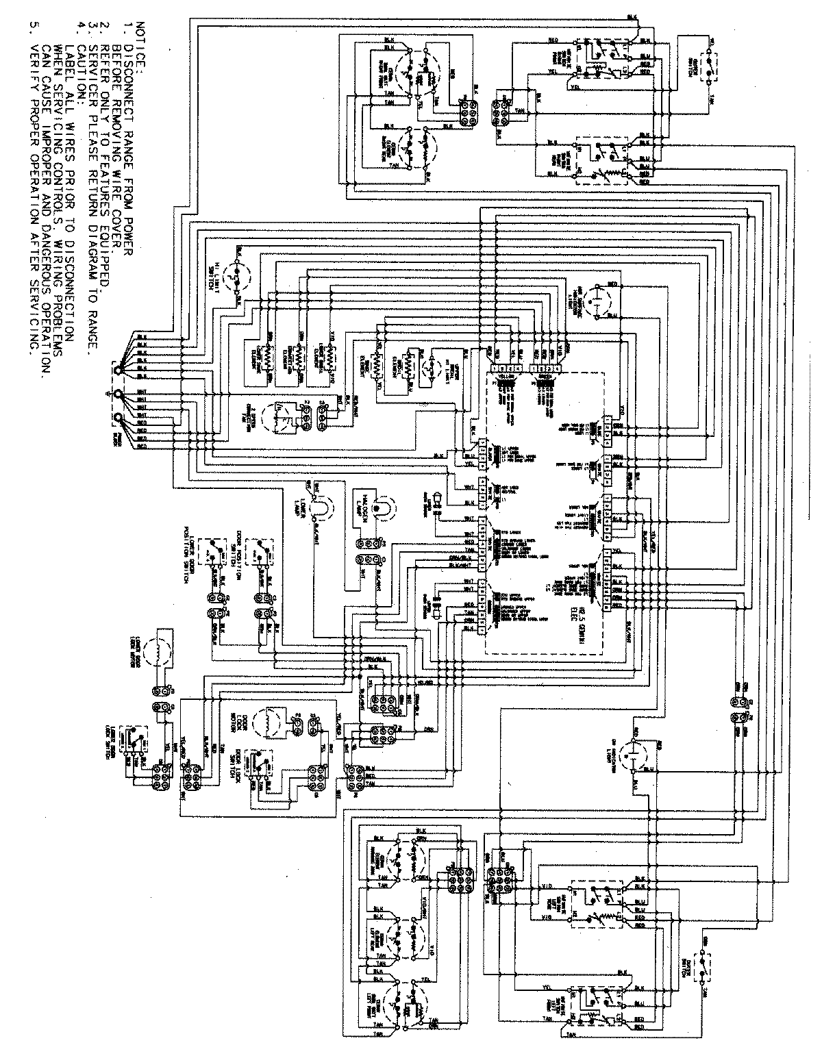
MER6875AAN 07 – WIRING INFORMATIONadmin2025-04-26T08:54:51+00:00MER6875AAN 07 – WIRING INFORMATION ProductsPositionProductNIMAY 15003559