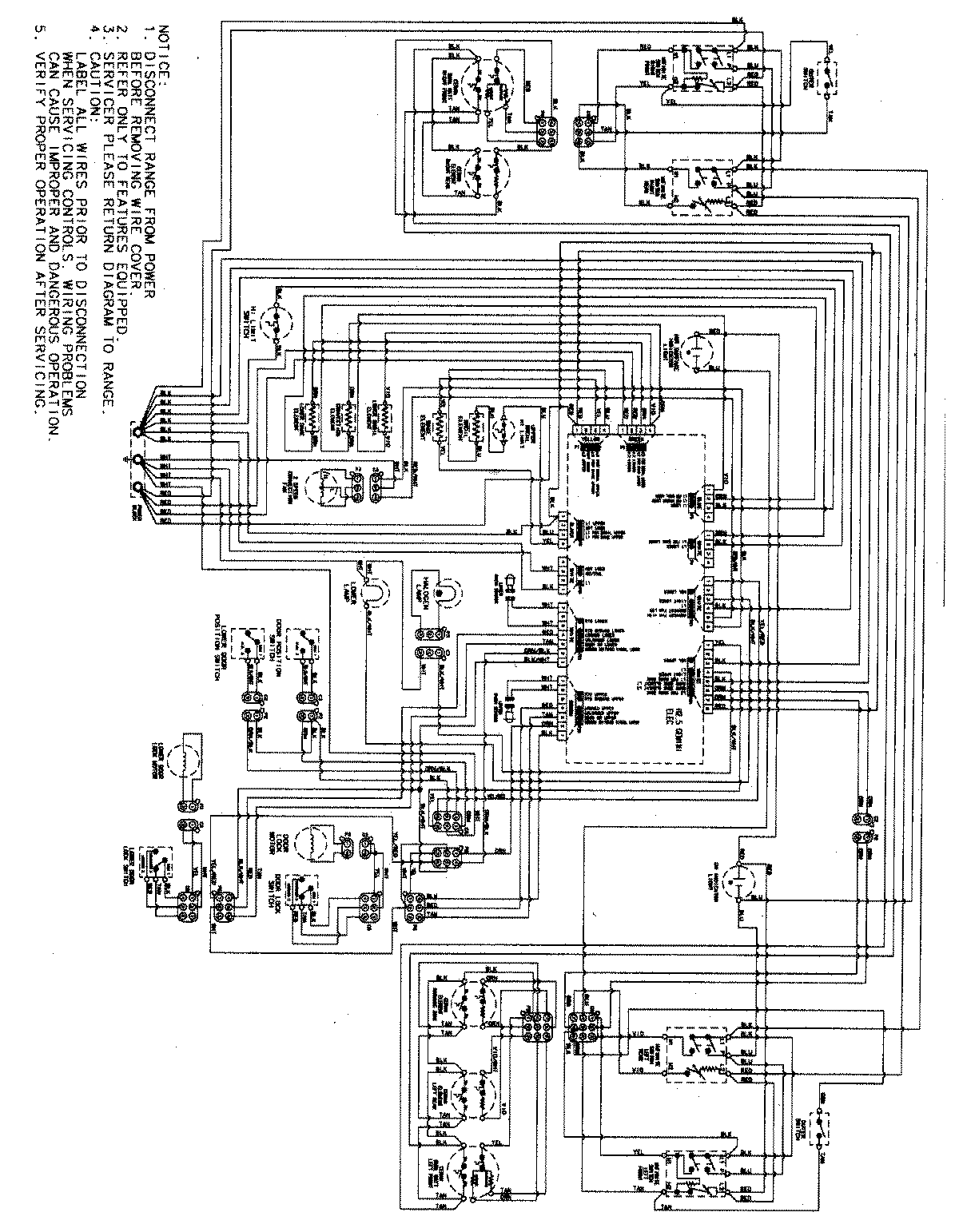
MER6875AAW 07 – WIRING INFORMATIONadmin2025-04-26T08:54:35+00:00MER6875AAW 07 – WIRING INFORMATION ProductsPositionProductNIMAY 15003559