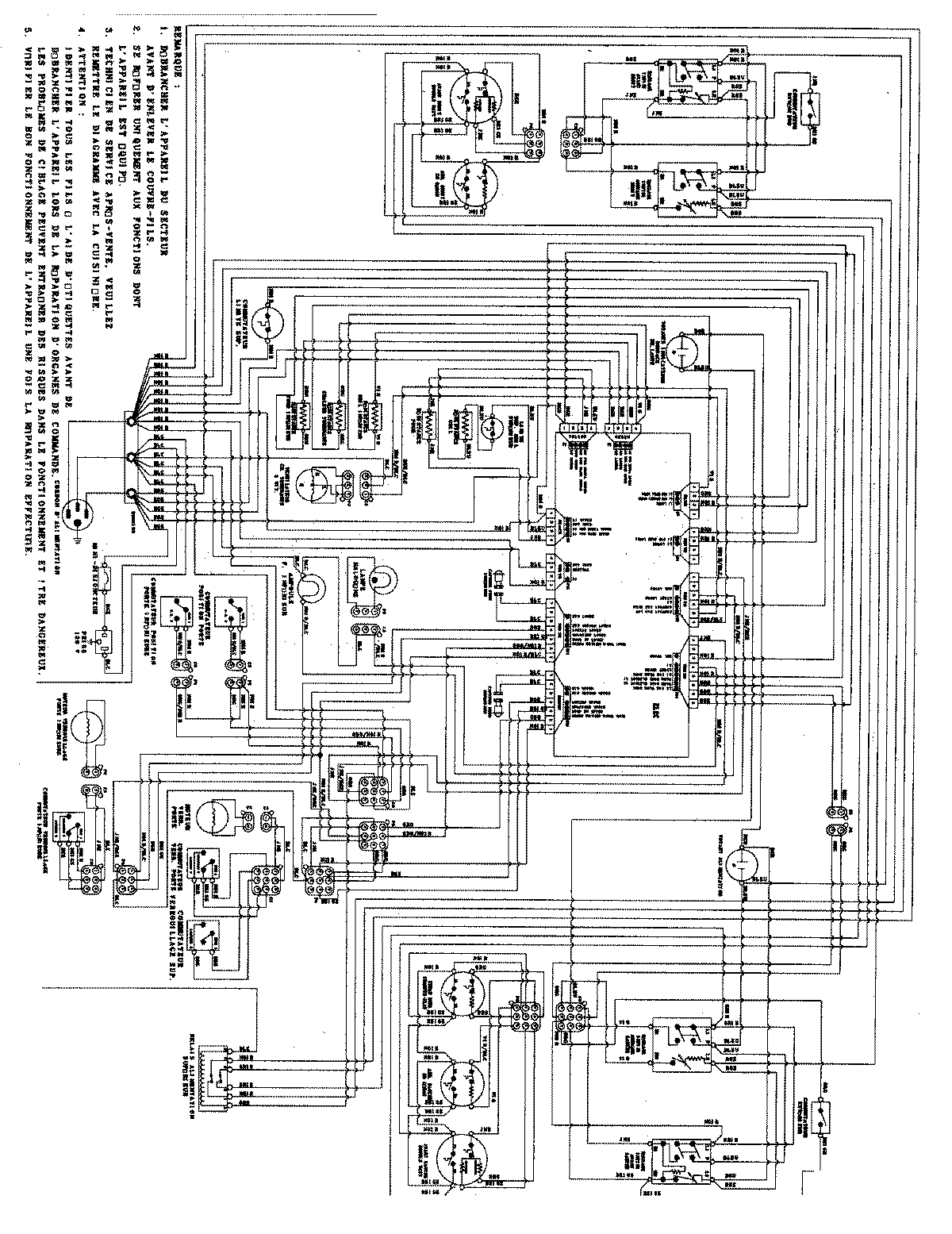
MER6875ACB 08 – WIRING INFORMATIONadmin2025-04-26T08:54:34+00:00MER6875ACB 08 – WIRING INFORMATION ProductsPositionProduct1MAY 15003626