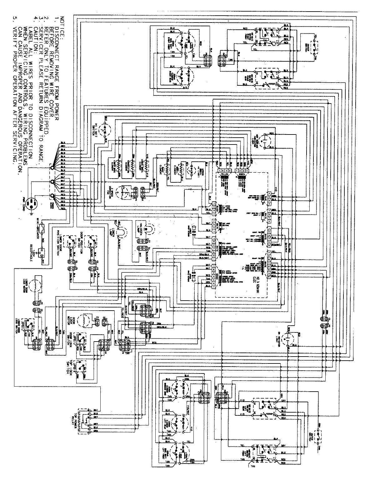
MER6875ACS 07 – WIRING INFORMATIONadmin2025-04-26T08:54:41+00:00MER6875ACS 07 – WIRING INFORMATION ProductsPositionProductNIMAY 15003625