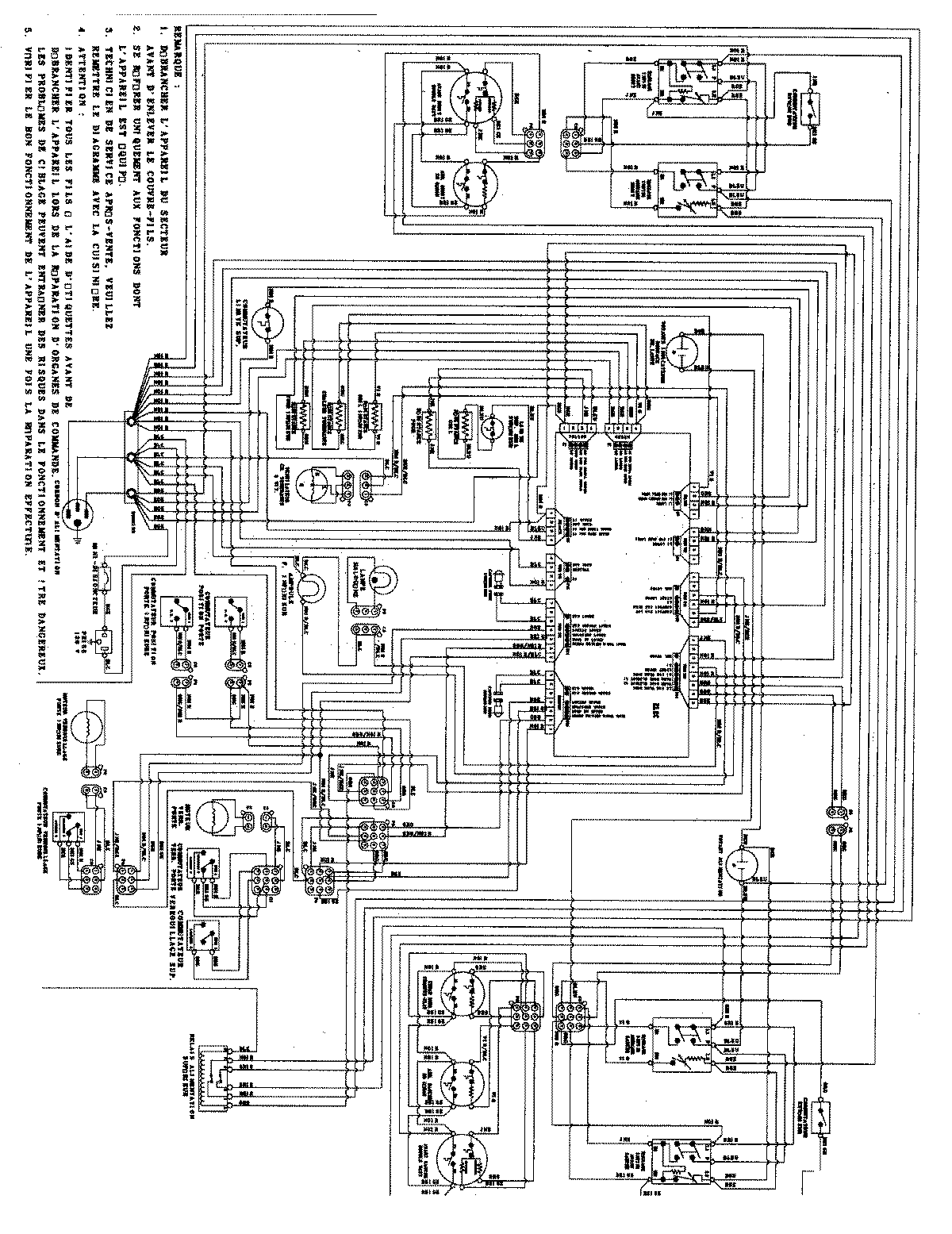
MER6875ACW 08 – WIRING INFORMATIONadmin2025-04-26T08:55:31+00:00MER6875ACW 08 – WIRING INFORMATION ProductsPositionProduct1MAY 15003626