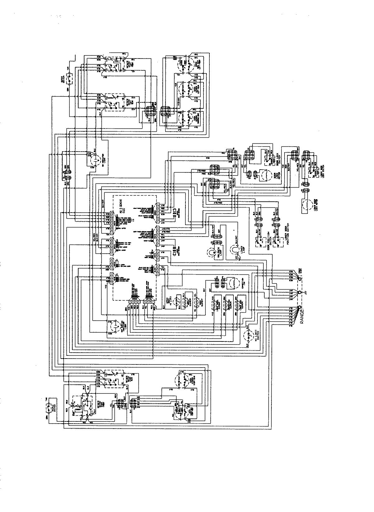
MER6875BAS 07 – WIRING INFORMATION

MER6875BAS 07 – WIRING INFORMATION

Products

PositionProduct
NIMAY 8119P388-60