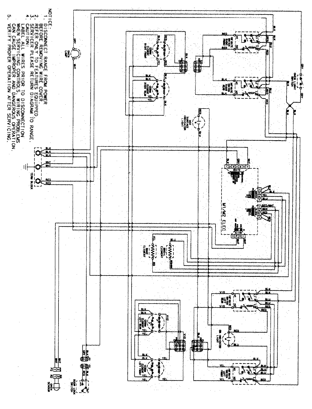
MERH752BAW 06 – WIRING INFORMATIONadmin2025-04-26T08:54:49+00:00MERH752BAW 06 – WIRING INFORMATION ProductsPositionProductNIMAY 15003512