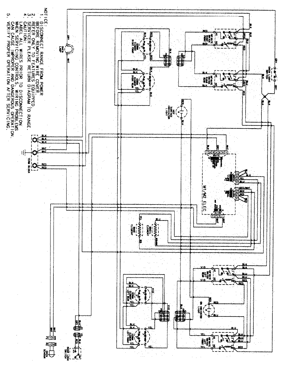
MERH752CAS 06 – WIRING INFORMATIONadmin2025-04-26T08:54:56+00:00MERH752CAS 06 – WIRING INFORMATION ProductsPositionProductNIMAY 15003512